製品概要
製品概要
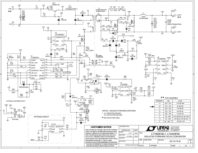
DC1317A-B: Demo Board for LT1952 Single Switch Synchronous Forward Controller.
対象となる製品
関連資料
-
DC1317A-B - Schematic2010/08/02PDF54K
-
DC1317A-B - Demo Manual2009/10/07PDF748K
-
DC1317A-B - Design File2009/10/07ZIP1M
