製品概要
製品概要
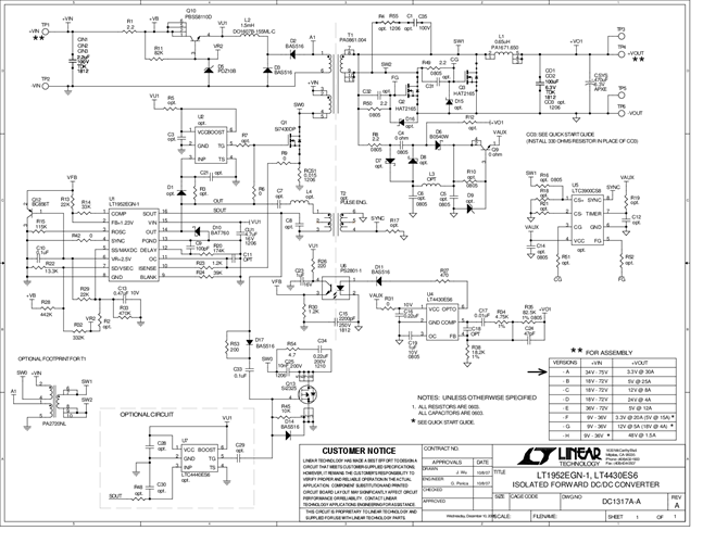
DC1317A-A: Demo Board for LT1952 Single Switch Synchronous Forward Controller.
対象となる製品
関連資料
-
DC1317A-A - Schematic2010/08/02PDF54K
-
DC1317A-A - Demo Manual2009/10/07PDF1M
-
DC1317A-A - Design File2009/12/07ZIP1M
