製品概要
製品概要
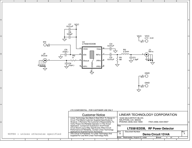
DC1314A: Demo Board for LT5581 6GHz RMS Power Detector with 40dB Dynamic Range.
対象となる製品
関連資料
- 
                                                                
                                                                    
                                                                                                                                            DC1314A - Schematic2009/09/24PDF22K
- 
                                                                
                                                                    
                                                                                                                                            DC1314A - Demo Manual2009/09/24PDF406K
- 
                                                                
                                                                    
                                                                                                                                            DC1314A - Design File2009/09/24ZIP432K
 
                             
                         
                         
                                                 
                                                 
                                                 
                                                 
                                                



