製品概要
製品概要
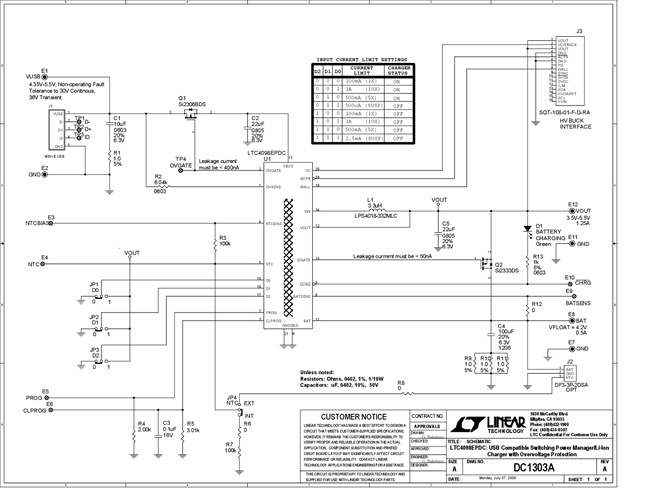
DC1303A: Demo Board for LTC4098/LTC4098-1 - USB Compatible Switching Power Managers/Li-Ion Chargers with Overvoltage Protection
対象となる製品
関連資料
-
DC1303A - Schematic2009/09/24PDF118K
-
DC1303A - Demo Manual2009/09/24PDF256K
-
DC1303A - Design File2009/09/24ZIP825K
