製品概要
製品概要
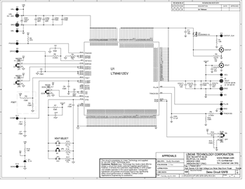
Demonstration circuit DC1297B features the LTM4612EV, an EN55022 Class B certified synchronous step-down power module. The board accepts an input voltage from 5V to 36V and delivers a jumper programmable output voltage of 3.3V, 5V or 12V. The rated load current is 5A for 3.3V and 5V output voltages, or 3A for a 12V output. Current derating is necessary for certain VIN, VOUT, and thermal conditions.
関連資料
-
DC1297B - Schematic2010/03/25PDF93K
-
DC1297B - Demo Manual2011/03/23PDF3M
-
DC1297B - Design Files2010/03/25ZIP3M




