製品概要
製品概要
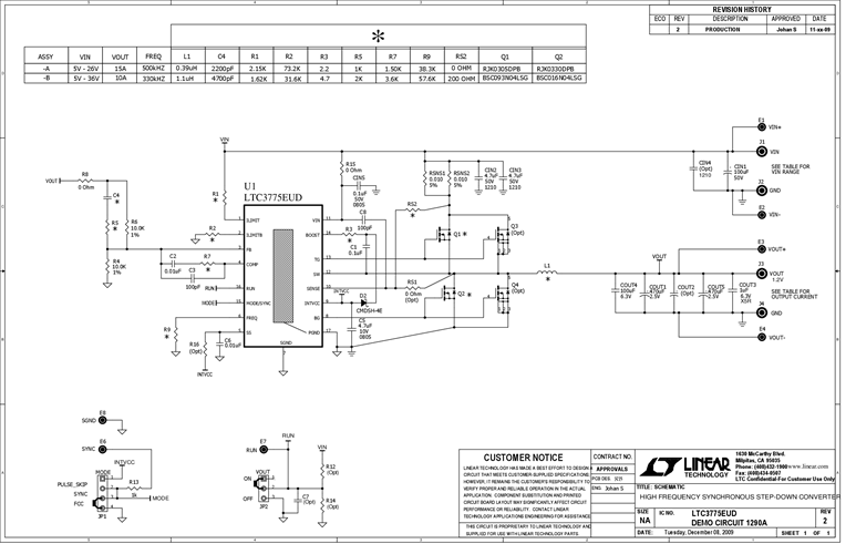
Demonstration circuit 1290A is a high frequency synchronous step-down converter featuring the LTC3775EUD. The package style for the LTC3775EUD is a 16-pin 3mm x 3mm QFN. Two versions of the demonstration board are available. DC-1290A-A has been optimized for 5V to 26V input and typically provides 1.2V/15A, while the DC1290A-B is optimized for 5V to 36VIN range and typically provides 1.2V/10A.
対象となる製品
関連資料
-
DC1290A - Schematic2010/01/15PDF69K
-
DC1290A - Demo Manual2010/01/15PDF890K
-
DC1290A - Design Files2010/01/15ZIP2M
