製品概要
製品概要
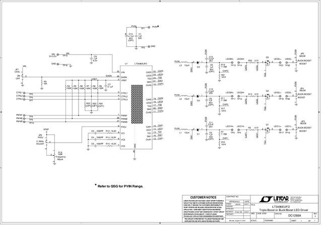
Demonstration circuit 1288 is a Triple Boost or Buck-Boost LED Driver featuring the LT3496EUFD (for evaluating an LT3496 buck mode LED driver, use the demonstration circuit 986). The LT3496 is a triple output DC/DC converter designed to operate as current sources for driving high current LEDs. The board can be configured as either a buck-boost (default) or boost solution. The current for each output is set at 200mA in either mode. The three LEDs are included in the demo board assembly.The operating power input voltage (PVIN) range is 8V to 16V. The buck-boost circuit can tolerate an input voltage up to 40V when the LED string is on the high side. The part shuts down when the overvoltage threshold is reached. For a typical application with 5 LEDs totaling 16V of LED voltage, the circuit will operate until PVIN reaches 22V if the overvoltage protection is set to 38V.
対象となる製品
関連資料
-
DC1288A - Schematic2009/09/24PDF36K
-
DC1288A - Demo Manual2009/09/24PDF1M
-
DC1288A - Design File2009/09/24ZIP863K
