製品概要
製品概要
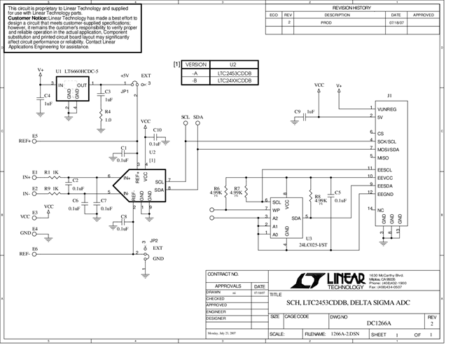
DC1266A-A: Demo Board for the LTC2453 Ultra-Tiny, Differential, 16-Bit ∆Σ ADC With I2C Interface
対象となる製品
関連資料
-
DC1266A - Schematic2009/09/24PDF34K
-
DC1266A - Demo Manual2009/09/24PDF342K
-
DC1266A - Design File2009/09/24ZIP0M
