製品概要
製品概要
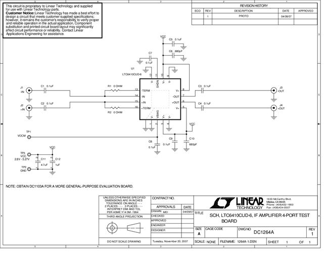
DC1264A: Demo Board for the LTC6410-6 Low Distortion, Low Noise Differential IF Amplifier with Configurable Input Impedance
対象となる製品
関連資料
- 
                                                                
                                                                    
                                                                                                                                            DC1264A - Schematic2009/09/24PDF28K
 
- 
                                                                
                                                                    
                                                                                                                                            DC1264A - Demo Manual2009/09/24PDF253K
 
- 
                                                                
                                                                    
                                                                                                                                            DC1264A - Design File2009/09/24ZIP1M
 
                                                