製品概要
製品概要
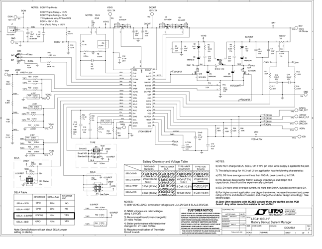
Demonstration circuit DC1259A is a single-battery battery- backup controller featuring the LTC4110. The LTC4110 controller provides all the features and functions to offer a complete standalone battery-backup system. The LTC4110 is a multi-chemistry flyback battery charger and discharger that is scalable with other LTC4110s to allow a larger battery array for increased capacity and/or redundancy.
The demo board requires a 12V input voltage and is initially configured to charge a 3 Li-Ion Smart Battery at 1A; the charge voltage is 12.6V. However, the Demo board can be easily configured for a standard battery as well. A SMBus interface is offered to allow host communications in control and status and/or support Smart Batteries. However, no host is required to use the LTC4110.
対象となる製品
関連資料
-
DC1259A - Schematic2009/09/24PDF96K
-
DC1259A - Demo Manual2011/01/11PDF511K
-
DC1259A - Design File2009/09/24ZIP1M




