製品概要
製品概要
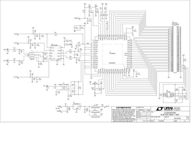
DC1257B: Demo Board for the LTC6416 2GHz Low Noise Differential 16-Bit ADC Buffer
対象となる製品
関連資料
- 
                                                                
                                                                    
                                                                                                                                            DC1257B - Schematic2009/10/21PDF46K
- 
                                                                
                                                                    
                                                                                                                                            DC1257B - Demo Manual2012/08/23PDF124K
- 
                                                                
                                                                    
                                                                                                                                            DC1257B - Design Files2009/10/21ZIP1M
 
                             
                         
                         
                                                