製品概要
製品概要
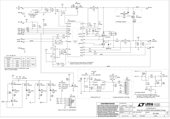
Demonstration circuit DC1256A is a single-battery standalone battery charger that can support any version ofthe LTC4012 family of parts. The LTC4012 family of charge controller IC’s do not support charge termination for any specific battery chemistry. Any charger termination, if necessary, is accomplished outside the LTC4012 with the most common method using a microcontroller. The DC1256A is shipped with the LTC4012-2 installed,which is optimized for Li-ion charge applications using a 4.2V/cell float voltage.The charger output voltage is programmed by jumpers to support 1, 2, 3 and 4 series stack Li-ion batteries. The input voltage is can be between 6V and 20V with the maximum voltage of the Demo Board design limited by the input capacitor voltage ratings. To reach full charge,the minimum input voltage must be greater than the float voltage setting.
対象となる製品
関連資料
-
DC1256A - Demo Manual2009/10/06PDF568K
-
DC1256A - Design Files2009/10/06ZIP1M
