製品概要
製品概要
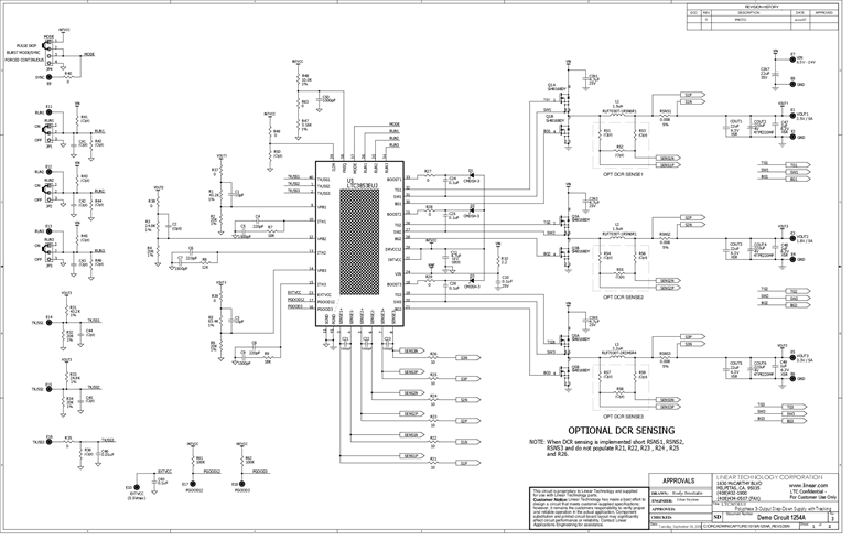
Demonstration circuit 1254A is a polyphase 3-output step-down supply with tracking featuring the LTC3853EUJ. The input voltage range is 6.5V to 24V. For applications with narrow, 5V ±0.5V input range, the board has an optional resistor to tie the INTVCC pin to the VIN pin. The demo board provides three 5A outputs, with output voltages of 2.5V, 1.8V and 3.3V.The main features of the board include rail tracking, an internal 5V linear regulator for bias, RUN pins for each output, two PGOOD signals and a Mode selector that allow the converter to run in CCM, pulse skip or Burst Mode operation. Synchronization to an external clock is also possible through some minor component changes.
対象となる製品
関連資料
-
DC1254A - Schematic2009/09/24PDF112K
-
DC1254A - Demo Manual2009/09/24PDF550K
-
DC1254A - Design File2009/09/24ZIP3M
