製品概要
製品概要
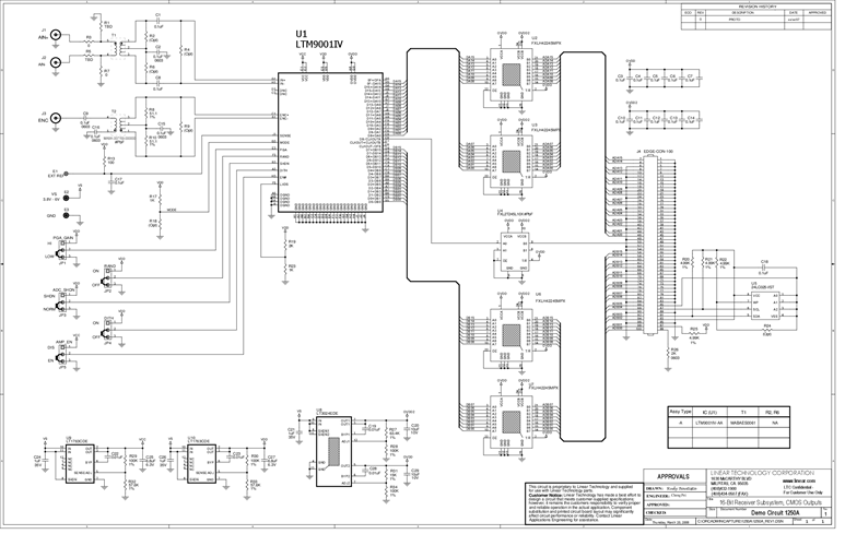
DC1250A-BA: Demo Board for LTM9001-A and -B - 16-Bit IF/Baseband Receiver Subsystem
対象となる製品
関連資料
-
DC1250A - Schematic2009/09/24PDF116K
-
DC1250A - Demo Manual2009/09/24PDF225K
-
DC1250A - Design File2009/09/24ZIP1M
