製品概要
製品概要
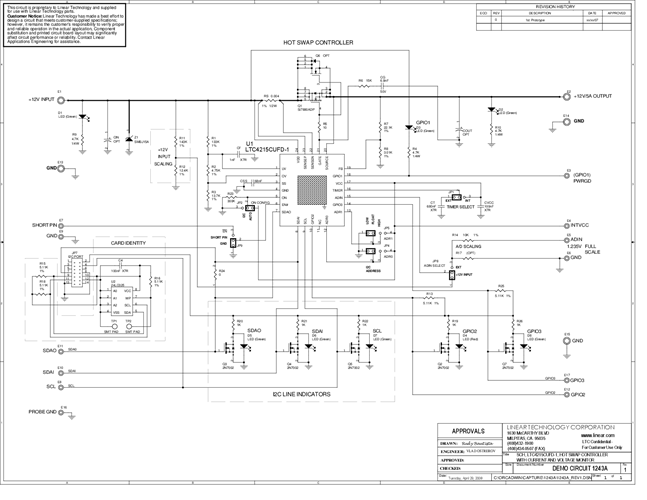
DC1243A: Demo Board for the LTC4215-1 and -3 - Hot Swap Controller with I2C Compatible Monitoring
対象となる製品
関連資料
-
DC1243A - Schematic2009/09/24PDF84K
-
DC1243A - Demo Manual2009/09/24PDF354K
-
DC1243A - Design File2009/09/24ZIP2M
