製品概要
製品概要
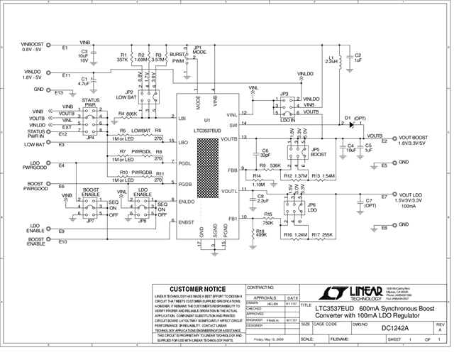
DC1242A: Demo Board for the LTC3537 - 2.2 MHz, 600mA Synchronous Step-Up DC/DC Converter and 100mA LDO
対象となる製品
関連資料
-
DC1242A - Schematic2009/09/24PDF36K
-
DC1242A - Demo Manual2009/09/24PDF385K
-
DC1242A - Design File2009/09/24ZIP650K
