製品概要
製品概要
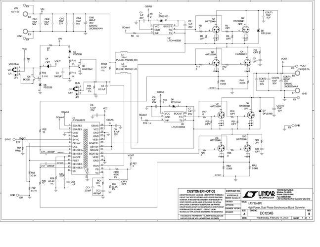
DC1234B: Demo Board for the LT3782 2-Phase Step-Up DC/DC Controller.
対象となる製品
関連資料
-
DC1234B - Schematic2009/09/24PDF55K
-
DC1234B - Demo Manual2009/09/24PDF526K
-
DC1234B - Design File2009/09/24ZIP1M
