製品概要
製品概要
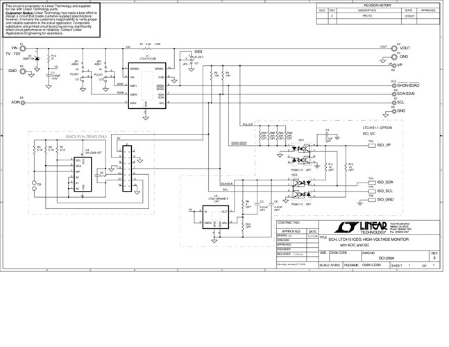
Demonstration circuit 1208A features the LTC4151 high side power monitor that accepts input voltages from 7V to 80V. In default operation mode, the onboard 12-bit ADC continuously measures high side current, input voltage and an external voltage. Data is reported through the I2C interface when polled by a host. The monitors can also perform on-demand measurement in a snapshot mode. The LTC4151 features a dedicated shutdown pin to reduce power consumption.
対象となる製品
関連資料
-
DC1208A - Schematic2009/09/24PDF41K
-
DC1208A - Demo Manual2009/09/24PDF234K
-
DC1208A - Design File2009/09/24ZIP1M




