製品概要
製品概要
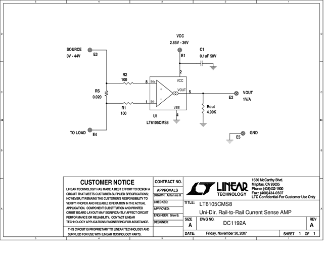
DC1192A: Demo Board for the LT6105 Precision, Rail-to-Rail Input Current Sense Amplifier
対象となる製品
関連資料
-
DC1192A - Schematic2009/09/24PDF27K
-
DC1192A - Demo Manual2009/09/24PDF398K
-
DC1192A - Design File2009/09/24ZIP627K




