製品概要
製品概要
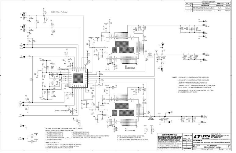
Demonstration circuit DC1184A is a dual output voltage mode synchronous buck converter featuring the LTC3860EUH. This board provides two outputs of 1.2V/25A and 1.8V/25A from an input voltage of 10V to 14V at a switching frequency of 500kHz. The power stage consists of the Renesas R2J20602NP which is a tri-state PWM compatible 8mm × 8mm DrMOS and a 0.47µH 13.2mm × 12.8mm iron powder type inductor from Wurth. An on-board 5V LT1616 buck regulator provides the 5V bias for the LTC3860 and the DrMOS.
対象となる製品
関連資料
-
DC1184A - Schematic2010/05/05PDF169K
-
DC1184A - Demo Manual2010/05/05PDF378K
-
DC1184A - Design Files2010/05/05ZIP3M
