製品概要
製品概要
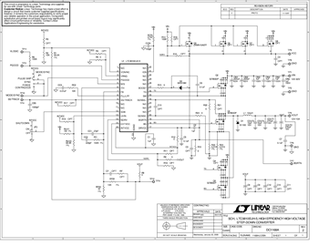
Demonstration circuit 1168 is a current mode synchronous switching regulator featuring the LTC3810-5. The circuit is configured as a synchronous step-down regulator operating at 250kHz switching frequency. Output voltage is 12V at 10A maximum load. The input voltage range is 14V to 60V.
対象となる製品
関連資料
-
DC1168A - Schematic2009/09/24PDF39K
-
DC1168A - Demo Manual2009/09/24PDF127K
-
DC1168A - Design File2009/09/24ZIP1M
