製品概要
製品概要
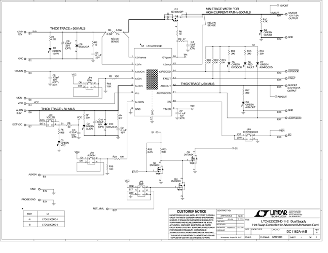
DC1162A-A: Demo Board for LTC4223 Dual Supply Hot Swap Controller for Advanced Mezzanine Card
対象となる製品
関連資料
-
Hot Swap Controllers2023/08/02PDF0 M
-
DC1162A - Schematic2009/09/24PDF61K
-
DC1162A - Demo Manual2009/09/24PDF412K
-
DC1162A - Design File2009/09/24ZIP1M
