製品概要
製品概要
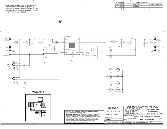
DC1159A: Demo Board for LTC3565 1.25A, 4MHz, Synchronous Step-Down DC/DC Converter
対象となる製品
関連資料
- 
                                                                
                                                                    
                                                                                                                                            DC1159A - Schematic2009/09/24PDF85K
- 
                                                                
                                                                    
                                                                                                                                            DC1159A - Demo Manual2009/09/24PDF317K
- 
                                                                
                                                                    
                                                                                                                                            DC1159A - Design File2009/09/24ZIP1M
 
                             
                         
                         
                                                