製品概要
製品概要
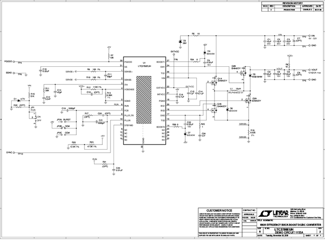
Demonstration circuit 1155A is a compact high efficiency synchronous buck-boost DC/DC converter solution featuring the LTC3780EUH controller. with 6V to 32V input range. It can supply 2A maximum load current at 12V output. The constant frequency current mode architecture allows a phase-lockable frequency of up to 400kHz.
対象となる製品
関連資料
-
DC1155A - Schematic2010/01/15PDF53K
-
DC1155A - Demo Manual2010/01/15PDF502K
-
DC1155A - Design Files2010/01/15ZIP714K
