製品概要
製品概要
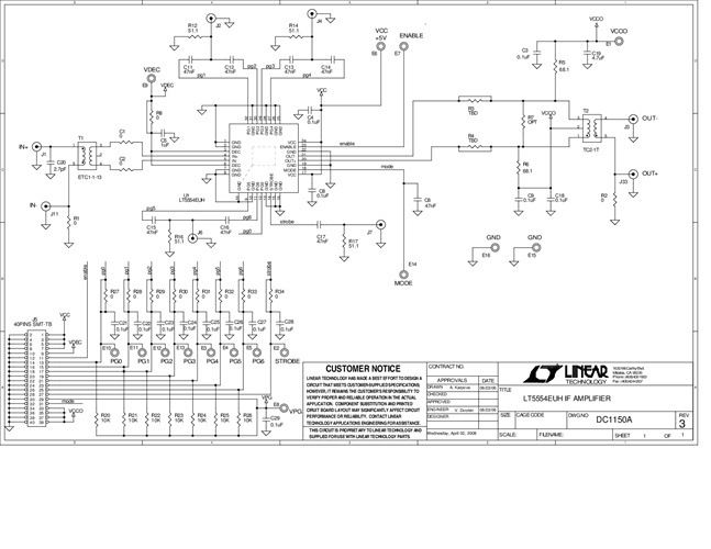
DC1150A: Demo Board for LT5554 Broadband Ultra Low Distortion 7-Bit Digitally Controlled VGA
対象となる製品
関連資料
- 
                                                                
                                                                    
                                                                                                                                            DC1150A - Schematic2009/09/24PDF39K
 
- 
                                                                
                                                                    
                                                                                                                                            DC1150A - Demo Manual2009/09/24PDF459K
 
- 
                                                                
                                                                    
                                                                                                                                            DC1150A - Design File2009/09/24ZIP1M
 
                                                