製品概要
製品概要
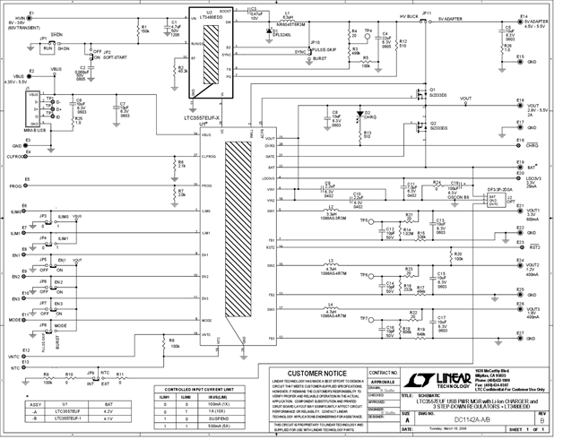
DC1142A-A: Demo Board for LTC3557/LTC3557-1 USB Power Manager with Li-Ion Charger and Three Step-Down Regulators
対象となる製品
関連資料
- 
                                                                
                                                                    
                                                                                                                                            DC1142A - Schematic2009/09/24PDF159K
 
- 
                                                                
                                                                    
                                                                                                                                            DC1142A - Demo Manual2009/09/24PDF598K
 
- 
                                                                
                                                                    
                                                                                                                                            DC1142A - Design File2009/09/24ZIP1M
 
                                                