製品概要
製品概要
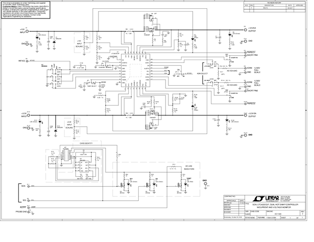
DC1134A: Demo Board for LTC4222 Dual Hot Swap Controller with I2C Compatible Monitoring
対象となる製品
関連資料
-
Hot Swap Controllers2023/08/02PDF0 M
-
DC1134A - Schematic2009/09/24PDF45K
-
DC1134A - Demo Manual2009/09/24PDF240K
-
DC1134A - Design File2009/09/24ZIP3M
