製品概要
製品概要
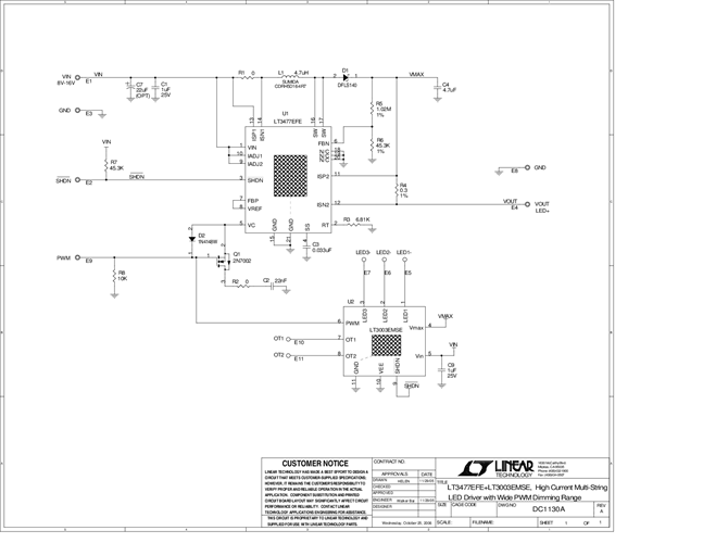
DC1130A: Demo Board for the LT3477 3A, DC/DC Converter with Dual Rail-to-Rail Current Sense.
対象となる製品
関連資料
-
DC1130A - Schematic2009/09/24PDF29K
-
DC1130A - Demo Manual2009/09/24PDF462K
-
DC1130A - Design File2009/09/24ZIP623K
