製品概要
製品概要
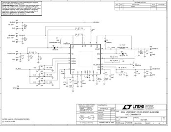
Demonstration circuit 1106 is a 1.5A Buck Converter, 1.5A Boost Converter, and LDO Controller featuring the LT3570. The Buck is designed to convert a 4V to 36V source to 3.3V at 1A. The LDO is powered from the output of the buck and converts 3.3V to 2.5V at 100mA. The boost converts a 3.3V to 10V source to 12V at 275mA.
対象となる製品
関連資料
-
DC1106A - Schematic2009/09/24PDF30K
-
DC1106A - Demo Manual2009/09/24PDF106K
-
DC1106A - Design File2009/09/24ZIP2M
