製品概要
製品概要
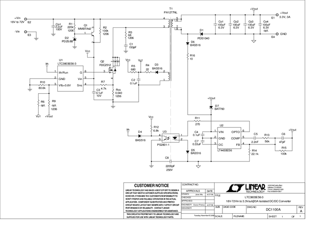
Demonstration circuit 1100 is an isolated Telecom DC/DC converter featuring the LTC3803ES6-3 constant frequency current mode flyback controller. The DC1100 converts 18V to 72V input into 3.3V output and provides 3A of output current. The 300KHz constant frequency operation is maintained down to light loads which reduces low frequency noise that occurs when power converters operate in pulse skipping mode. The converter provides high output voltage accuracy (typically ± 2%) over wide load range with no minimum load requirement.
対象となる製品
関連資料
-
DC1100A - Schematic2009/09/24PDF27K
-
DC1100A - Demo Manual2009/09/24PDF152K
-
DC1100A - Design File2009/09/24ZIP488K
