製品概要
製品概要
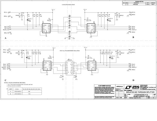
DC1079A-B: Demo Board for the LTC4310 Hot-Swappable I2C Isolators.
対象となる製品
関連資料
- 
                                                                
                                                                    
                                                                                                                                            DC1079A - Schematic2011/02/15PDF59K
- 
                                                                
                                                                    
                                                                                                                                            DC1079A - Demo Manual2011/02/15PDF888K
- 
                                                                
                                                                    
                                                                                                                                            DC1079A - Design Files2011/02/15ZIP2M
 
                             
                         
                         
                                                