製品概要
製品概要
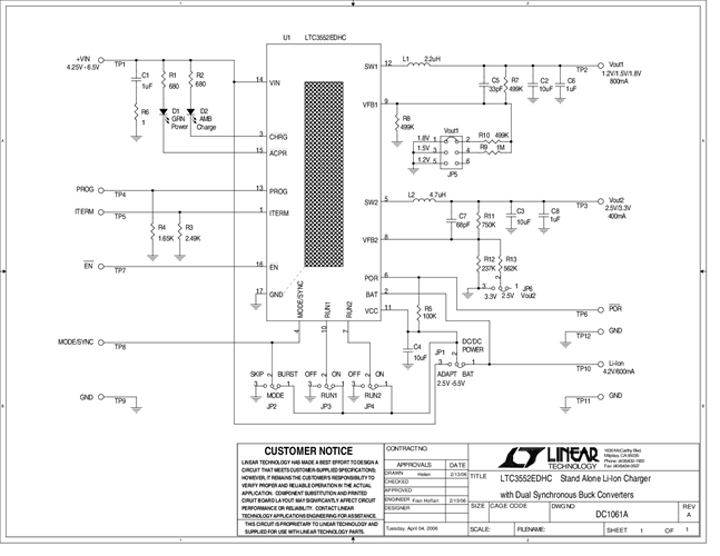
DC1061A: Demo Board for the LTC3552 Standalone Linear Li-Ion Battery Charger and Dual Synchronous Buck Converter.
対象となる製品
関連資料
-
DC1061A - Schematic2009/09/24PDF33K
-
DC1061A - Demo Manual2009/09/24PDF165K
-
DC1061A - Design File2009/09/24ZIP644K
