製品概要
製品概要
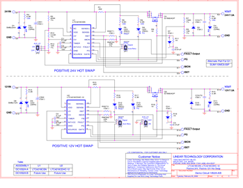
DC1052A-A: Demo Board for the LTC4218 Hot Swap Controller.
対象となる製品
関連資料
-
Hot Swap Controllers2023/08/02PDF0 M
-
DC1052A - Schematic2009/09/24PDF33K
-
DC1052A - Demo Manual2013/05/21PDF226K
-
DC1052A - Design File2009/09/24ZIP624K
