製品概要
製品概要
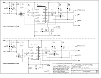
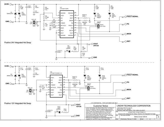
DC1051A: Demo Board for the LTC4217 2A Integrated Hot Swap Controller.
対象となる製品
関連資料
-
Hot Swap Controllers2023/08/02PDF0 M
-
DC1051A - Schematic2009/09/24PDF28K
-
DC1051A - Demo Manual2013/05/07PDF200K
-
DC1051A - Design File2009/09/24ZIP656K




