製品概要
製品概要
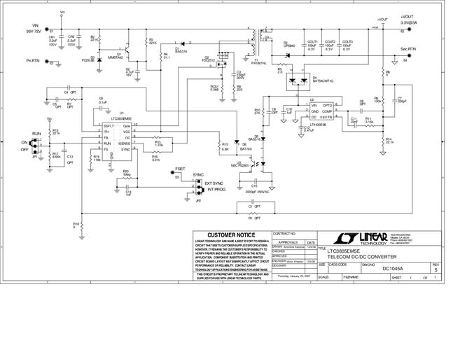
Demonstration circuit 1045 is a Telecom isolated DC/DC converter featuring the LTC3805 constant frequency current mode flyback controller. The DC1045 converts 36V to 72V input voltage to an isolated 3A of output current at 3.3V. The 200kHz constant frequency operation is maintained down to very light load to reduce low frequency noise generated over a wide range of load current.
対象となる製品
関連資料
-
DC1045A - Schematic2009/09/24PDF33K
-
DC1045A - Demo Manual2009/09/24PDF322K
-
DC1045A - Design File2009/09/24ZIP780K
