製品概要
製品概要
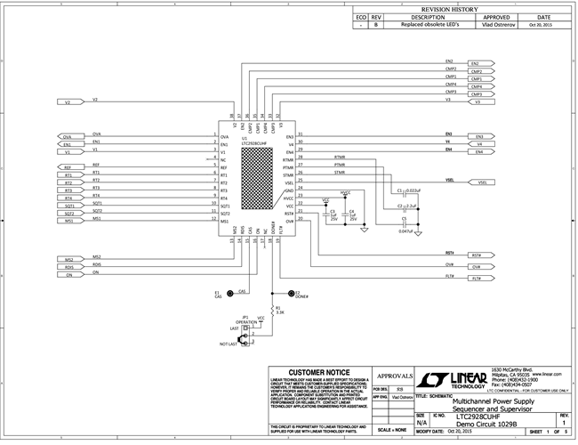
Demonstration circuit 1029B is for evaluating the performance of the LTC2928 Multichannel Power Supply Sequencer and Supervisor.
The LTC2928 sequences and monitors up to four power channels in power-up and power-down, and it monitors those outputs in the steady state. Sequencing is accomplished by controlling the power supply enable inputs or N-channel MOSFET gates with the LTC2928 outputs. Supervisory functions include undervoltage and overvoltage monitoring, and capturing the output state information in the event of a system fault.
関連資料
-
DC1029B - Schematic2016/01/04PDF167K
-
DC1029B - Demo Manual2016/01/04PDF854K
-
DC1029B - Design Files2016/01/04ZIP3M
