製品概要
製品概要
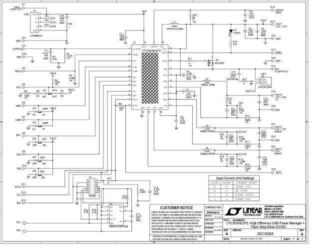
DC1020A: Demo Board for the LTC3555/LTC3555-X High Efficiency USB Power Manager + Triple Step-Down DC/DC
対象となる製品
関連資料
-
DC1020A - Schematic2009/09/24PDF131K
-
DC1020A - Demo Manual2009/09/24PDF797K
-
DC1020A - Design File2009/09/24ZIP1M
