製品概要
製品概要
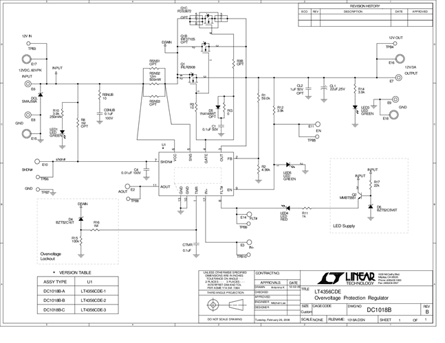
DC1018B-A: Demo Board for the LT4356-1 and -2 Surge Stopper.
マーケット&テクノロジー
対象となる製品
関連資料
-
DC1018B - Schematic2009/11/13PDF29K
-
DC1018B-A - Demo Manual2009/11/13PDF414K
-
DC1018B - Design File2009/11/13ZIP750K





