製品概要
製品概要
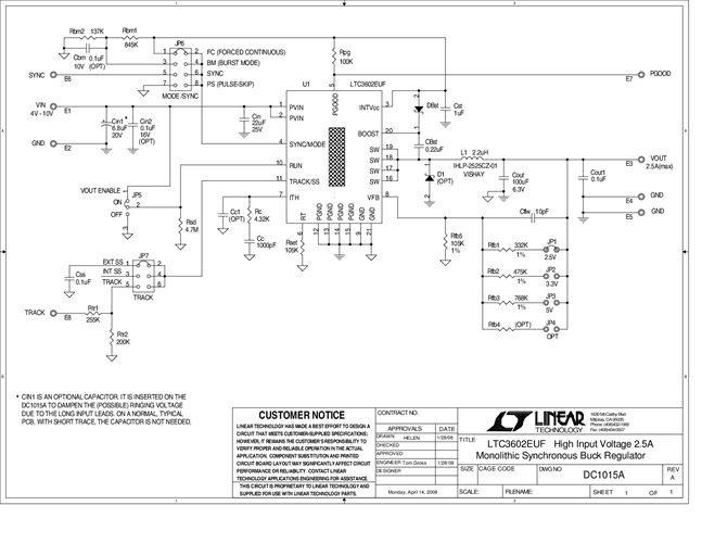
DC1015A - Demo Board for: LTC3602 - 2.5A, 10V, Monolithic Synchronous Step-Down Regulator
対象となる製品
関連資料
-
DC1015A - Schematic2009/09/24PDF35K
-
DC1015A - Demo Manual2009/09/24PDF596K
-
DC1015A - Design File2009/09/24ZIP577K
