製品概要
製品概要
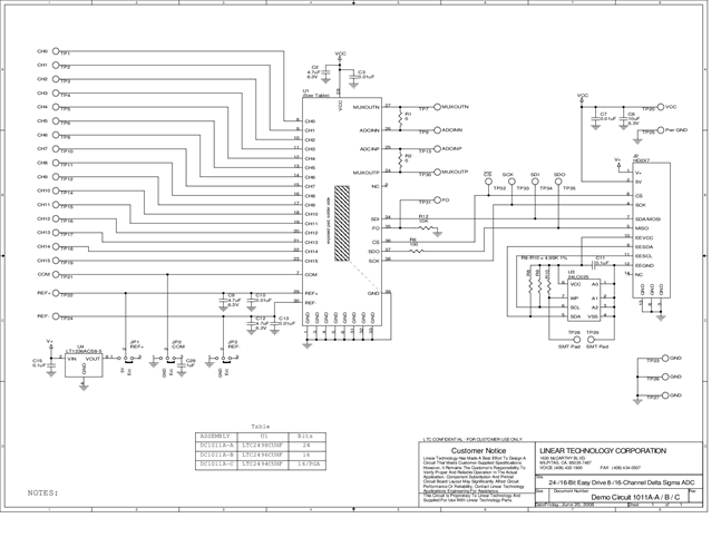
DC1011A-C: Demo Board for the LTC2494 16-Bit 8-/16-Channel ΔΣ ADC with PGA and Easy Drive Input Current Cancellation
関連資料
-
DC1011A - Schematic2012/03/01PDF28K
-
DC1011A - Demo Manual2013/06/20PDF586K
-
DC1011A - Design Files2012/03/01ZIP639K




