トリムレスIF VCO:第2回:新しいICで実装を簡素化

要約

このアプリケーションノートでは、45MHz~650MHzの周波数を取り扱うIF電圧制御発振器(VCO)ファミリについて説明します。このICは6ピンSOT23パッケージに収められています。MAX2608の位相ノイズは、300MHz~500MHzにおいて-100dBc/Hzです。チップ外のインダクタによって動作周波数を設定します。出力段は抵抗または損失のない方法を用いてマッチングさせることができます。

追加情報:トリムレスIF VCO:第1回:設計上の検討事項

新しい集積回路ファミリを使えば、IFアプリケーション用の小型で固定周波数の電圧制御発振器(VCO)を容易に開発できるようになります。

固定中間周波数(IF)に使用するVCOの設計は極めて厄介な作業です。幸いなことに、マキシムのVCO IC (MAX2605~MAX2609)を使えばこの作業を簡素化できます。従来のディスクリート素子のVCOと比較すると、マキシムの製品は低コストでしかもPCボードのスペースが少なくてすみます。

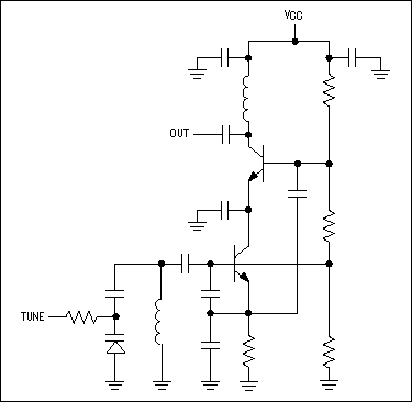
従来のIF VCOの設計では、発振器のコアと出力バッファ段はディスクリートのトランジスタ、抵抗、コンデンサ、およびインダクタで構成されています(図1)。タンクは、周波数設定インダクタ、バラクタ、カップリングコンデンサ、およびフィードバックコンデンサからなるネットワークで作られています。出力段は、リアクタンス素子を使用して、出力インピーダンスを特定の負荷インピーダンスにマッチングさせています。

図1. この回路図は、ディスクリート回路素子で実装されたIF VCOを表しています。

図1. この回路図は、ディスクリート回路素子で実装されたIF VCOを表しています。

設計を確実に成功させるためには、部品の値が所望の公称発振周波数を生成するだけでなく、十分な同調範囲、適切なバイアス、あらゆる条件下での発振器の始動、および適切な出力段の性能を保証しなければなりません。消費電流、始動マージン、周波数同調範囲、および位相ノイズの間に存在するトレードオフのため、1次設計が良好な場合でも問題が生じる可能性があります。

ディスクリートによるIF VCO設計の大きな欠点は、必要となるPCボードの面積が大きくなるということです。レイアウトを6mm × 10mm以下に最適化するには多大な労力が必要となります。さらに、PCボードのレイアウトは、VCOの性能と設計の精度に重大な影響を及ぼします。レイアウトに含まれる寄生容量と寄生インダクタンスが発振周波数に影響を及ぼすため、発振器を正しく実装するためには、このことを考慮に入れる必要があります。寄生素子は、公称発振周波数に望ましくない「ずれ」を生じることが多く、設計時の中心合わせの誤差が増大することとなり、最終的にはこれらの誤差を補うためにより広い同調範囲が必要となってしまいます。

MAX2605~MAX2609 IF VCOファミリは、このような状況を改善するものです。これらの5つのICは、IF周波数範囲が45MHz~650MHzの、低電力固定および単一周波数のポータブルワイヤレスアプリケーション用に設計されています。必要な回路の大部分は、チップに内蔵されており、タンクインダクタ(これで発振周波数を決める)のみが外付けです。

いったん外付けインダクタンスの値を正しく選択すれば、ICが、同調電圧範囲(+0.4VDC~+2.4VDC)内のいずれかのレベルで、対応する周波数に同調することが保証されます。このICの同調電圧入力は、位相ロックループ(PLL)に続くループフィルタ出力により直接駆動できます。MAX2605~MAX2609 ICは、+2.7VDC~+5.5VDC範囲の電源電圧用に設計されているので、電源電圧を接続する際に特別な調整を行わなくても、正常な動作を確保できます。各ICは超小型6ピンのプラスチックSOT23パッケージ(図2)で提供されています。

図2. MAX2605~MAX2609 IF VCO ICは、PCボードのスペースが最小限ですむように設計された6ピンの表面実装SOT23パッケージで提供されています。

図2. MAX2605~MAX2609 IF VCO ICは、PCボードのスペースが最小限ですむように設計された6ピンの表面実装SOT23パッケージで提供されています。

MAX2605は45MHz~70MHzで同調し、キャリアから100kHzにおける位相ノイズは-117dBc/Hzです。その他の素子については、MAX2606が70MHz~150MHzで同調し、キャリアから100kHzにおける位相ノイズが-112dBc/Hz、MAX2607は150MHz~300MHzで同調し、キャリアから100kHzにおける位相ノイズが-107dBc/Hz、MAX2608は300MHz~500MHzで同調し、キャリアから100kHzにおける位相ノイズが-100dBc/Hz、MAX2609は500MHz~650MHzで同調し、キャリアから100kHzにおける位相ノイズが-93dBc/Hzです。

周波数同調範囲、バイアス、始動、およびその他の発振器の特性はすべてIC内で管理されるので、VCO設計に一般的に伴う設計上の煩わしい問題がなくなります。チップ内のバラクタとコンデンサにより、外付けの同調素子が必要でなくなり、IF VCOの設計を簡素化できます。インダクタンスに対する発振周波数のグラフ(MAX2605~MAX2609のデータシートを参照)を利用すれば、外付けインダクタの選択作業がさらに簡素化されます。

MAX2605ファミリは、RF設計者にとっていくつかの重要な新しい利点を備えています。これらのICは、トリムレスのVCOを作成できるよう設計されているため、外部調整が必要ありません。デュアルコンバージョンシステムで予測されるシステムIFの範囲に対応するため、これらの製品は広範囲のアプリケーション周波数を取り扱えるように設計されています。さらに、これらの製品は、柔軟性のある出力インタフェースを備えており、IF VCOのコストの低減および最終設計の回路サイズを小さくするのに役立ちます。

MAX2605~MAX2609は、VCOにおける新しい概念を示すものであるため、製品の目標を達成するためには根本的に新しい回路手法を必要としました。マキシムは、信頼性が高く、柔軟性のあるColpitts (コルピッツ)発振器構造に基づいた発振器の方式を考案しました。このトポロジは、すべての発振器回路の素子(インダクタを除く)をICに内蔵できるように改変されています。発振器のほとんど全体をチップ内に集積化することにより、良好なVCOとして望まれる動作目標のすべて(適正な発振器の始動、広周波数範囲、トリムレス動作に必要な同調特性、消費電流の抑制、および温度と電源電圧に依存しないバイアス)が達成されています。

チップ外のインダクタを使用することにより、非常に広範囲の動作周波数でVCOを使用することができます。チップ内の容量は同じままですが、外付けのインダクタンスの値を変えることで、発振器のタンク回路の共振周波数が変わります。インダクタのクォリティファクタ(Q)が最小限であれば、位相ノイズと始動の動作を保証できます(図3)。

図3. このMAX2605~MAX2609 VCO ICの簡略な回路図は、共振回路を完成するために必要なものが発振周波数を設定する外付けのインダクタだけであることを示しています。

図3. このMAX2605~MAX2609 VCO ICの簡略な回路図は、共振回路を完成するために必要なものが発振周波数を設定する外付けのインダクタだけであることを示しています。

この新しい手法を実施するには、図に示す発振回路を構築するための、能動素子と受動素子に関するすべてのIC技術を必要としました。特に、プロセス技術では、高周波トランジスタ、高Qコンデンサ、容量比の高い高Qバラクタダイオード、およびPNPまたはPMOS素子を実現する必要がありました。

MAX2605~MAX2609は、モノリシック発振器構造を取り入れたRF IC専用に開発されたシリコンBiCMOSプロセスによって製作されています。このプロセスは、PNP、NMOS、およびPMOS素子、25GHzの遷移周波数(fT)のNPN、容量比が2:1よりも優れた低直列抵抗バラクタダイオード(調整電圧0.4V~2.4Vに対して)、超高QのMIM (metal-insulator-metal:金属-絶縁体-金属) RFコンデンサ、精密薄膜抵抗、および3層メタルを実現しています。

すべての素子を搭載することで、完全なICを実現することができました。VCOの設計には、すべての仕様と要件があらゆる動作条件で保証できるよう、さまざまな性能間で複数の設計反復を行うなど、慎重で広範なコンピュータシミュレーションが必要でした。

最後に、部品の許容誤差から生じる動作周波数のずれを補えるだけの周波数同調範囲が発振器に備わっていることを保証するため、マキシムは素子の生産テストを実施して一連の周波数制限値を保証しています。これらの制限値は、MAX2605~MAX2609ユーザに、一連の高周波/低周波の同調制限値(fMAXとfMIN)を保証するものです。このテストに合格したICは、0.4Vの同調電圧(VTUNE)において発振周波数(fOSC) < fMIN 、およびVTUNE = 2.4Vにおいて発振周波数fOSC < fMAXとなります。温度ドリフトと若干の設計の中心合わせ誤差(<0.5%)を含んだ外付けインダクタの許容誤差を±2%と仮定すると、このテストは、外付けのインダクタンスの値を調整しなくても、インダクタによって選択された動作周波数で常にVCOが同調することを保証します。これにより、トリムレスのVCO設計が完成されます。

MAX2605~MAX2609のアプリケーションは非常に簡素化されているので、これを理解することは極めて容易です。これは、以下に示す2つの簡単なステップからなります。

  1. 外付けのインダクタンスを選択して実装することで、所望の発振周波数を設定します。
  2. 抵抗素子またはリアクタンス素子を用いて、出力段を負荷にマッチングさせます(図4)。

図4. この簡単な回路図は、MAX2605~MAX2609 VCO IC用の標準的なアプリケーションを示しています。

図4. この簡単な回路図は、MAX2605~MAX2609 VCO IC用の標準的なアプリケーションを示しています。

VCOに望ましい公称動作周波数(fNOM)は、IND (ピン1)における外付けのインダクタンスの実効値によってのみ決定されます(図5の曲線によって決定される)。

図5. このグラフは、MAX2607 VCO ICで必要となる同調インダクタンス(LF)の合計値を所望の発振周波数(150MHz~300MHz)の関数として表しています。

図5. このグラフは、MAX2607 VCO ICで必要となる同調インダクタンス(LF)の合計値を所望の発振周波数(150MHz~300MHz)の関数として表しています。

所望の動作周波数を得るために必要なインダクタンス値(LF)は、表面実装技術(SMT)のインダクタの標準値のいずれかに必ずしも一致しません(通常、この標準値は約1.2倍の刻みで増加します)。このような場合に所望の値を得るには、2つのインダクタLF1とLF2からインダクタンスを構成する必要があります。LF1としては、所望の値より低い、その値に最も近い標準値を選択してください。さらに、LF2としては、LF - LF1よりも低い、その値に最も近い標準値を選んでください。LF1はQを最小とする要求に固執する必要がありますが、LF2は低コストの薄膜SMTタイプを使用できます。LF2の値は合計値の20%未満であるため、Qが低くても全体のQに与える影響は少ないのです。

PCボードのトレースを使用して少量のインダクタンスを形成することにより、インダクタンスの合計値を調整することも可能です。MAX2608/MAX2609回路の場合、LF2のインダクタンス値は、SMTインダクタを使用するよりも、グランドに短絡されたPCボードのトレースを使用した方が正確に得られることがあります。ピンINDにおいて必要なインダクタンス値が確立されると、VCOは部品のばらつき、動作温度、および電源電圧の全範囲でこの発振周波数に同調することが保証されます。

MAX2605~MAX2609 VCOは、発振器コアの後ろに差動出力アンプを備えています。アンプ段には有用な絶縁機能が設けられているため、ミキサおよび/またはPLLプリスケーラなどのIF機能との柔軟なインタフェースが実現されています。出力はシングルエンドでも、あるいは差動でも得られますが、最大出力電力と最低高調波出力は、差動出力モードで達成できます。どちらのオープンコレクタ出力(OUT-およびOUT+)にも、コレクタ電圧(VCC)へのプルアップ素子が必要です。出力段にはプルアップ抵抗またはインダクタを利用できます。プルアップ抵抗は、出力へのインタフェースとして最も簡単明瞭な方法であり、動作周波数が低いアプリケーションや、あまり大きな電圧振幅を必要としないアプリケーションに最適です。

動作周波数が負荷抵抗/容量ネットワークの3dB帯域幅よりも高い場合、および/あるいは電圧振幅や出力電力を大きくする必要がある場合は、リアクティブパワーマッチングが必要になります。マッチングネットワークは、シャントインダクタと直列コンデンサによる単純な回路です。出力段のDCバイアスを提供するために、OUT-/OUT+とVCCの間にインダクタを接続し、OUT-/OUT+と負荷の間に直列コンデンサを接続します。インダクタとコンデンサの値は、動作周波数と負荷インピーダンスに応じて選択します。出力は従来の差動出力と同じように印加されます。唯一の制限条件は、VCCへのプルアップが必要なことと、OUT-とOUT+における電圧振幅が制限されるということです。

各手法を利用する場合に必要な設計時間を比較すると、大きな違いがあることがわかります。ここで示した従来のディスクリート手法は設計が大作業になり、ディスクリートIF VCOの開発が完了するまでに何週間もかかることがあります。堅牢性に富む生産可能な設計にたどりつくまでには多数の反復作業が必要になると思われます。一方、MAX2605~MAX2609の方は、数分でVCOを設計し、その日の午後に確認してテストすることも可能なのです。

MAX2605~MAX2609が周波数同調範囲、バイアス、および始動の問題を解決するため、VCO設計に通常伴う困難な作業は完全に排除されます。必要な作業は、所望の発振周波数と出力負荷に基づいて外付けのインダクタンスの値を選択することだけです。この作業は、MAX2605~MAX2609データシートに記載されているグラフから所望のインダクタンス値を読み取ることにより簡単に達成されます。

部品のコストとしては、MAX2605~MAX2609は従来のディスクリートIF VCOと同程度です。製造面では、部品点数が少なくて部品当たり0.03ドルの節約になるため、より安価なIF VCOが得られます。

この記事と同じ内容が「Microwaves & RF」誌の2000年8月号に掲載されています。