Design Note 12: An LT1013 and LT1014 Op Amp SPICE Macromodel
With the advent of low cost and powerful desktop computers, present day op amp circuit designs can mature more quickly with good simulation tools. One such tool since its inception has been SPICE, the standard analog circuit simulator. However, while PCs and workstations may now be present on more and more desks, a potential bottleneck towards effective simulation has been SPICE models for the more popular parts.
The macromodel approach to simulation of an op amp is viable for many designs, with the great asset of simulation speeds far faster than that of a full device-level circuit. With this design note, Linear Technology Corporation introduces op amp macromodels to its applications library. It is hoped that eventually most op amps in the product line will be developed as macromodels and made available to customers.
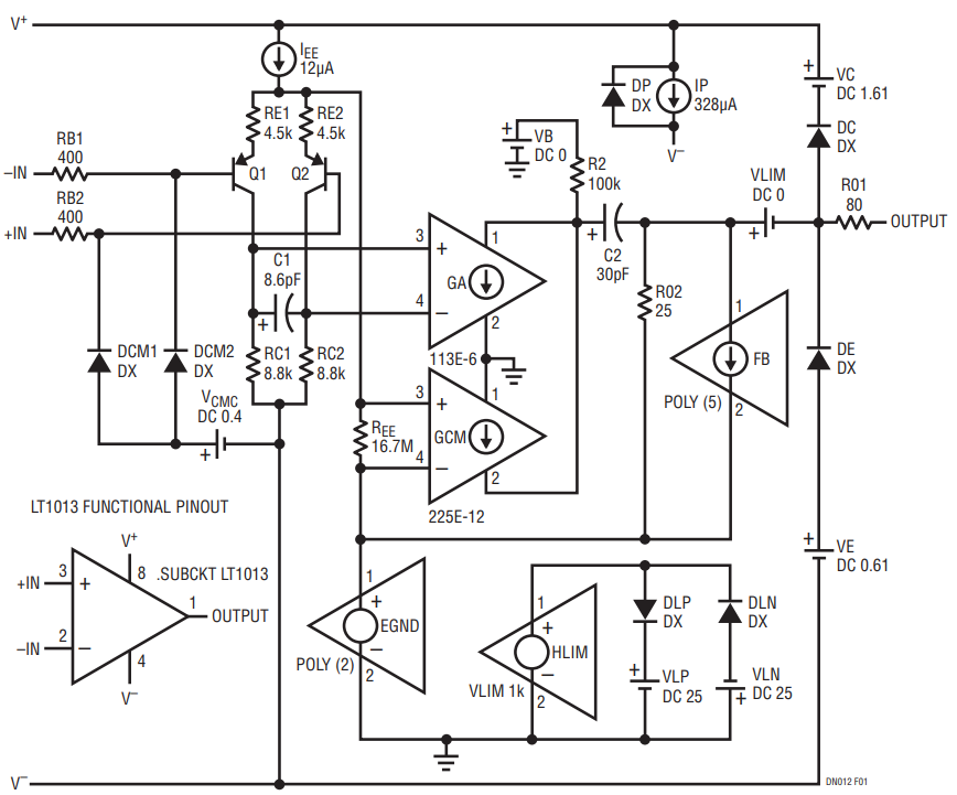
The LT1013 and LT1014 devices are popular single supply LTC op amps, and are thus logical candidates for macromodels. While existing macromodels for the generic 358 and 324 types might suffice for some applications, circuit designs which take advantage of the unique precision and functional features of the LT1013 warrant a model which reflects those features. The schematic diagram of the LT1013 and LT1014 macromodel is shown in Figure 1, and is applicable to one channel of either device.

Figure 1. LT1013 Op Amp Macromodel.
Key op-amp specifications for the commercial device are:
offset voltage = 50μV (offset is not simulated)
bias current = 8nA
gain = 1000000
slew rate = 0.4V/μs
bandwidth = 0.8MHz
Also, the model simulates the input common mode range (which includes ground) and the output characteristics of swinging to ground while sinking current.
This macromodel acts very much like the real LT1013 or LT1014 device which incorporates input common mode clamping, to prevent the sign-reversal errors common to the 358/324 types. For example, comparison responses for the LT1013 and the 358 are shown in Figure 2. The common conditions of this test are for an overdriven, +5V single-supply follower. In both instances, the input signal is VIN, a –20V to 20V sweep fed through 10k, while the output is V(5).

Figure 2. LT1013 Test Circuit: Single-Supply (+5V), Overdriven Follower.
Note that with the 358, the output reverses sign when the input is overdriven below ground. In contrast, the LT1013 model is well behaved, simply clamping the overdrive at ground level...just like the real LT1013 device does!
The model itself is listed on this page, and can be entered by typing it in (carefully!). Registered users of MicroSim’s PSPICE simulator will automatically receive this macromodel as part of the model library update with version 3.07. Interested readers may contact MicroSim at the address or phone number listed at the end of this note for further information.
This LT1013/LT1014 op amp macromodel is being supplied to users as an aid to circuit designs. While it reflects reasonably close similarity to the actual device in terms of performance, it is not suggested as a replacement for breadboarding. Simulation should be used as forerunner or supplement to traditional lab testing.
This more complete macromodel has been adapted from the Parts program generated LT1013/LT1014 model. This version features closer fidelity to the real part, with input common mode clamping and compensated output clamping. It can be used for large signal and/ or single supply applications, where the inputs can potentially be overdriven.