DN-511: 入力電流、出力電流、および温度のモニタ機能と制限機能を備えた20V、2.5A 同期整流式モノリシック降圧 SWITCHER+
はじめに
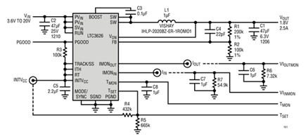
電流および温度モニタ機能を備えた同期整流式降圧レギュレータの LTC®3626 は、リニアテクノロジーのモノリシック・レギュレータ製品群、SWITCHER+™ の最初の製品です。LTC3626 は、2.5A の最大出力電流を供給できる高効率モノリシック同期整流式降圧スイッチング・レギュレータで、3.6V ~ 20V の入力電圧に対応しています(図 1 の回路を参照)。LTC3626 は、独自のオン時間制御/定周波数の電流モード・アーキテクチャを採用しており、高速負荷トランジェント応答が求められる低デューティ・サイクル・アプリケーションおよび高周波数動作に最適です(図 2 を参照)。また、モード設定機能、トラッキング機能、および同期機能を備えています。LTC3626 の3mm×4mm パッケージは、熱インピーダンスが極めて低いため、外部ヒートシンク不要で最大電力を負荷に供給できます。


LTC3626 は、優れたレギュレータ機能に加え、電流および温度のモニタ機能を特徴としています。最小限の部品を追加するだけで、モニタ機能と制御機能の両方を使用できます。
入力/出力電流のモニタ
LTC3626 は、オン状態において同期スイッチを流れる出力電流を検出し、この電流に(1/16,000 の比で)比例する電流を IMONOUT ピンに出力します。 図 3 は、IMONOUT ピン出力の測定値を計算値と比較することで得られた、IMONOUT 出力の精度を示しています。誤差は、ほとんどの出力電流範囲で 1% 未満に留まっています。

同様に、この検出電流信号を降圧レギュレータのデューティ・サイクルと組み合わせることで、入力電流に(同じく1/16,000 の比で)比例する電流が IMONIN ピンに出力されます。幅広い電流範囲において、5% を超える精度が実現されています(図 4 を参照)。

これら両方の電流信号は、内部電圧アンプに接続されています。このアンプのリファレンス電圧は 1.2V で、トリップするとデバイスをシャットダウンします。そのため、入力電流または出力電流の制限は、図 1 に示すように、IMONIN ピンまたは IMONOUT ピンのそれぞれに抵抗を接続するだけで設定できます。電流制限と抵抗の関係は、次式で表されます。

たとえば、10k 抵抗の場合、約 2A の電流制限が設定されます。
このシンプルな仕組みにより、入力電流および出力電流制限のモニタ機能およびアクティブな制御機能の両方が実現されます。制御機能は、外部制御回路(いくつかの受動素子を持つ DAC など)を使用して実装できます。
温度のモニタ
LTC3626 は、ダイ内温度に比例する電圧を生成します。この電圧を使用して、最大温度制限を設定できます。温度モニタ・ピン(TMON)の電圧は、室温で標準 1.5V です。ダイ内温度(TJ)を計算するには、TMON の電圧に温度モニタの電圧対温度の換算係数である 200°K/V を掛けてから、273°Cの差分を引きます。LTC3626 は、温度制限設定ピン(TSET)および TMON ピンによって供給される温度制限コンパレータも備えています。そのため、TSET ピンに電圧を印加することで、最大温度制限を次式に従って設定できます。

最大温度制限を 125°Cに設定することは、TSET ピンを約 2V に設定することに相当します。ダイ内温度(TJ)がこの制限に達すると、デバイスはシャットダウンします。
まとめ
LTC3626 は、電流および温度のモニタ機能と、高性能な降圧レギュレータ機能の両方を小型パッケージで実現します。マイクロプロセッサまたはその他の外部制御ロジックを使用し、簡便な入力電流モニタ・ピン、出力電流モニタ・ピン、および温度モニタ・ピンを介して状態を管理できます。また、温度制限設定ピンにしきい値電圧を設定することで、デバイスをシャットダウンできます。