AN-854: Sensor PCB Design Guidelines for the AD7142 and AD7143 Capacitance-to-Digital Converters
Introduction
The AD7142 and AD7143 are integrated capacitance-to-digital converters (CDC) with on-chip environmental calibration for use in systems requiring a novel user input method. The AD7142 and AD7143 can interface to external capacitance sensors implementing functions such as capacitive buttons, sliders, or scroll wheels.
The sensors are implemented as individual elements on a PCB with all sensors for a particular design, as well as the AD7142 or AD7143 on the same PCB. Sensor designs can be customized to suit each customer’s individual requirements. The customer can specify the type of sensors, the layout, and the dimensions. The AD7142 and AD7143 can cater to nonstandard shapes, such as curved sensors, giving customers full flexibility in their product designs.
The maximum number of sensors implemented using one AD7142 or one AD7143 depends on the combination of sensors in the design. A slider requires eight inputs to the AD7142 or AD7143, a button requires one input, and an 8-way switch requires four inputs. Combinations of sensors can be implemented using one AD7142 or one AD7143.
| Sensor Type | Minimum Size | Typical Size | Maximum Size | Typical Bulk Capacitance |
| Button | 5 mm diameter | 8 mm diameter | 15 mm | 4 pF |
| 2-Way Switch | 4 mm × 8 mm | 5 mm × 10 mm | 8 pF | |
| 8-Way Switch | 8 mm × 8 mm | 15 mm × 15 mm | 4 pF per element | |
| Slider | 25 mm × 4 mm | 40 mm × 10 mm | 60 mm × 20 mm | 4 pF per element |
| Wheel | 20 mm × 20 mm | 30 mm diameter | 50 mm diameter | 4 pF per element |
| Key Pad | 1 row × 1 column | 12 keys, 3 rows × 4 columns | 36 keys, 6 rows × 6 columns | 5.4 pF to 9.6 pF per key |
Sensor Types and Sizes
Table 1 shows the recommended minimum, typical, and maximum sensor sizes, and the typical bulk capacitance for a range of sensor types. The total area of the sensor, rather than the exact dimensions, is of greatest importance. A sensor with a large area provides a large electric field with which the user can interact, and therefore, gives the greatest response when activated. The minimum sensor sizes are driven by the need to obtain an adequate sensor response. It is possible to use different shapes that may be below the minimum sensor size in one dimension, provided the total area of the sensor is sufficient to obtain a good response.
The maximum sensor size is dictated by the sigma-delta (Σ-Δ) converter and offset digital-to-analog converters (DACs) on the AD7142 and AD7143. Figure 1 shows CBULK, the capacitance associated with the sensor. When the sensor is active, the user interferes with the fringe field, CIN (CIN << CBULK). If the sensor is too large, its bulk capacitance value swamps the converter, and the offset DACs do not have sufficient range to offset this capacitance. The maximum capacitance value for which the offset DAC can compensate is ±20 pF.

Sensor Design Guidelines
Buttons
Figure 2 shows two possible designs for a button sensor. The button can be any size from 5 mm to about 15 mm in width. Each button sensor requires one input to the AD7142/AD7143. Buttons can be circular, oval, square, or irregularly shaped. All buttons should have two pads, one connected to the SRC pin and another connected to a CIN input pin. Both pads should be on the top layer of the PCB.

The button sensor on the right side of Figure 2 shows a cutout area in the middle of the sensor with pads for a component. This layout is appropriate for applications with LEDs on the PCB. Light from the LED can be directed through the cutout area of the button allowing the button to be programmed to light up when activated. The maximum size of the cutout in the button depends on the size of the buttons, as defined in Table 2.
| Button Diameter | Maximum Cutout Size |
| 5 mm | 2 mm × 1.6 mm |
| 6 mm | 2.8 mm × 1.2 mm |
| 8 mm | 4 mm × 2 mm |
| 10 mm | 4 mm × 2 mm |
On the AD7142 and AD7143, buttons connect through the input multiplexer to the CDC using one of two methods. The first method is the single-ended method, wherein a button activates independently from any other sensor connected to the AD7142 or AD7143. The second method of connecting buttons to the AD7142 and AD7143 involves connecting two buttons to the CDC differentially. In this case, either button operates when independently activated.
However, if the user tries to simultaneously activate both buttons, neither button activates. This is useful in certain applications where, for example, the user is prevented from activating the play and stop buttons at the same time. The two connection methods are shown in Figure 3.
When the user activates a button, a status bit in the AD7142 or AD7143 status registers is set. Each button, whether it connects to the CDC using the single-ended or the differential method, has a one-to-one correspondence to a status bit in the status registers. The AD7142/AD7143 can be set up to interrupt the host processor when any sensor is activated. The host can then read back data from the status registers to determine which button sensor is active.
Typical Button Sensor Response
The response from the sensor is the difference in CDC output value between sensor touched and sensor not touched conditions. The response from the sensor depends on a number of factors: sensor area, size of the user’s finger, and thickness and permittivity of the plastic that covers the sensor. Application Note AN-830 has more details on the factors affecting sensor response.
Figure 4 to Figure 6 show typical responses from button sensors of various diameters. For the 5 mm diameter button, the CDC output code changes by about 236 codes when the sensor is activated. For the 10 mm button, the CDC output changes by 737 codes, and for the 12 mm button, the CDC output code changes by 1260 codes. All three buttons are tested underneath 2 mm of plastic covering material.
Mechanical Buttons
Mechanical buttons can be sensed using the AD7142 or AD7143. A mechanical button contact is shown in Figure 7. A flexible metal dome is attached to the underside of the sensor PCB. This dome makes contact with a ring of CSHIELD on the sensor PCB. The central contact is connected to one CIN input of the AD7142/AD7143. When the button is not pressed, the metal dome is a concave shape and does not touch the inner CIN contact on the board. When the button is pressed, the metal button changes to a convex shape and touches the inner CIN contact thereby connecting CSHIELD to a CIN input on the AD7142/AD7143 that was previously floating. The AD7142 or AD7143 measures this change on the CIN input, which corresponds to a 20,000 code change in the CDC output.
8-Way Switch
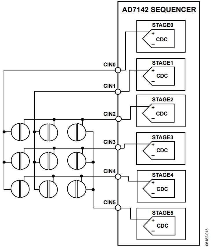
Figure 9 shows a layout for an 8-way switch sensor. This sensor type can have dimensions ranging from 8 mm square to 15 mm square and requires four inputs to the AD7142/AD7143. The 8-way switch gives eight positional outputs: north, south, east, and west, as well as the diagonal positions of northeast, southeast, southwest, and northwest. The user moves a finger in a gliding motion around the 8-way switch to change the output position.

The 8-way switch is constructed from four buttons that have been routed to intertwine. The pads on the top layer are connected to the SRC pin, and the pads on the second layer are connected to CIN input pins. The top and bottom buttons are internally connected in the AD7142 and AD7143 as a differential pair to the CDC, as are the left and right buttons. The connections for the 8-way switch are shown in Figure 10. The 8-way switch also requires an activation measurement; this measurement determines if the 8-way switch is active before determining the direction of the movement.
This measurement requires a connection to the sequencer of the AD7142/AD7143, as shown in Figure 10, Stage 3. The inputs from all four elements of the 8-way switch sensor sum together at the positive CDC input to determine if the sensor is active.
When the user activates the 8-way switch in any direction, status bits in the status registers are set. The host can read back data from the AD7142 or AD7143 to determine which status bits are set. Four status bits on the AD7142/AD7143 are used to determine all eight positions from the 8-way switch.
Table 3 shows how to decode the output position by reading back the status register bits from the AD7142/AD7143. Because the top and bottom buttons are differentially connected, they cannot activate simultaneously. The same applies to the left and right buttons.
|
Top Button Status Bit |
Bottom Button Status Bit |
Left Button Status Bit |
Right Button Status Bit |
Output Position |
| 1 | 0 | 0 | 0 | North |
| 0 | 1 | 0 | 0 | South |
| 0 | 0 | 1 | 0 | West |
| 0 | 0 | 0 | 1 | East |
| 1 | 0 | 1 | 0 | Northwest |
| 1 | 0 | 0 | 1 | Northeast |
| 0 | 1 | 1 | 0 | Southwest |
| 0 | 1 | 0 | 1 | Southeast |
Slider
Figure 11 shows the layout for a slider sensor. A slider can be designed with varying widths (from 5 mm to 12 mm), and varying lengths (from 10 mm to 60 mm). The layout of the slider can be straight, in either a vertical or a horizontal position, or curved into a horseshoe or circular shape. The slider is constructed from a number of discrete sensor segments, normally eight segments. Connect each of the segments to a CIN input pin on the AD7142/AD7143.
The slider consists of a number of discrete sensors arranged in a strip, one after the other. The excitation source connection intertwines with all eight segments. These discrete sensing segments operate in the same manner as buttons. Each sensing segment is laid out in close proximity to the next sensor; thus, when a user moves a finger along the slider, more than one sensor segment is activated at a time. This slider can produce up to 128 output positions.
It is possible to construct a slider using only six sensor segments. However, this arrangement results in a corresponding decrease in sensor output resolution.
Figure 12 shows how a slider connects to the AD7142 or AD7143 through the sequencer to the CDC. Each of the discrete segments that make up the slider connects to the CDC using one sequencer stage. Each of the sensor segments has a corresponding status bit in the status register. The status bits are set to 1 when the sensor segment is activated. When any of the status bits are set, the host reads back the CDC output data for all of the sensor segments.
To achieve 128 output positions using only eight sensor segments, there is some interpolation using the CDC results from each sensor. The CDC results from each segment are weighted and added together to form a normal distribution curve. The mean of this normal distribution gives the output position from the slider. Analog Devices, Inc. provides the software algorithm to achieve this linearization. It is provided as C code. This code requires less than 8 kB of program code and 500 bytes of RAM. For more information, refer to the design support and FAQs on the AD7142 or AD7143 Web pages at either www.analog.com/AD7142 or www.analog.com/AD7143.
Scroll Wheel
The scroll wheel is a special case of the discrete slider. Each of the discrete segments in the slider is arranged into a circular shape, as shown in Figure 13. The inner ring connects to the SRC pin. The scroll wheel can provide as many as 128 output positions.
To achieve 128 output positions using only eight sensor segments, there is some interpolation using the CDC results from each sensor. The CDC results from each segment are weighted and added together to form a normal distribution curve. The mean of this normal distribution gives the output position from the scroll wheel. Analog Devices provides the software algorithm to achieve this linearization. It is provided as C code and requires 9.6 kB of program code and 571 bytes of RAM to run. For more information, refer to the design support and FAQs on the AD7142 or AD7143 Web pages at www.analog.com/AD7142 or www.analog.com/AD7143.
Matrix Keypad
The AD7142 and AD7143 can be used to implement a matrix keypad. The AD7142 can implement up to 36 keys, and the AD7143 can implement up to 16 keys. The keys are arranged in rows and columns, similar to a standard matrix keypad. Each row and column of the keypad requires an input to the AD7142/ AD7143. Each column and row of the keypad requires a connection through the sequencer to the CDC of the AD7142 or AD7143. The keys are constructed with one-half of the key connected to the column input line, and the other half connected to the row input line. Figure 14 shows a matrix key, with two connections to CIN, one for the row and one for the column. The outer ring connects to the SRC pin.
When the user activates any key in the keypad, status bits in the status registers are set. The host can read back data from the AD7142/AD7143 to determine the set status bits. Status bits for each column, and for each row, are used to determine which key is pressed. The decoding is the same as that required for conventional mechanical matrix keypads. The active key is at the location where both its row and column status bits are set.
PCB Guidelines
Any standard PCB material is suitable for capacitance sensor design use, including FR4, polyamide (flex) or PET. This allows the sensors to be manufactured using industry-standard techniques. Each layer should be 0.1 mm thick. However, it is also possible to use layers that are thinner than 0.1 mm, if available. The traces can be copper, carbon, silver, or indium tin oxide (ITO).
The sensor should be on the top layer of the PCB, or in the case of an 8-way switch, the first two layers, as detailed in Table 4 and Table 5. The excitation source is output from the AD7142 or AD7143 on the SRC pin and connects to the transmitter traces on the top layer of the sensor PCB. The receiver is also on the top layer of the sensor PCB. Each sensor connects to the AD7142/AD7143 through the CIN input pins. Place a ground plane around the sensor traces and components on all of the layers of the PCB.
| Layer | Description |
| 1(top) | Excitation source and CIN connections, surrounded by a ground plane |
| 2 | Routing, AD7142 or AD7143, and the ground plane |
| Layer | Description |
| 1(top) | Excitation source connection and ground plane |
| 2 | CIN connection, ground plane, routing, and AD7142 or AD7143 |
Sensor Layout
Analog Devices is committed to helping customers define their sensor requirements and providing support to achieve a completed PCB design by offering the following resources:
- A library of sensors available for customers in PADS layout format. Customers can use the library sensors to create their designs. Note that the PADS software package is available from Mentor Graphics.
- A number of reference designs and sample layouts.
- A custom sensor design service for high volume customers.
The following guidelines apply to each sensor layout:
- Traces should be 0.2 mm in width.
- Minimum clearance between traces is 0.15 mm.
- Maximum distance between AD7142/AD7143 and the sensor is 10 cm.
Do not route any signals directly underneath the active areas of the sensor. If there is insufficient space on the sensor PCB to allow routing around the sensors, then use a ground plane layer directly under the sensor layer. Provided there is a ground layer underneath the sensor, then the routing on subsequent layers can be under the sensor area.
Floating traces should not be routed next or adjacent to the sensor traces. An LED control signal that is open when the LED is off is one example of a floating trace.
Connecting Sensors to the AD7142/AD7143
Each sensor needs to connect physically to one of the AD7142/ AD7143 CIN input pins. The number of inputs required depends on the type of sensor. Once the connection is established, the AD7142/AD7143 sequencer needs to be configured so that the sensors are connected through to the CDC when the AD7142 or AD7143 is converting.
| Sensor Type | Number of CIN Input Pins Required |
| Button | 1 |
| 8-Way Switch | 4 |
| Slider | 1 input per discrete segment, 8 in total |
| Scroll Wheel | 1 input per discrete segment, 8 in total |
| Matrix Keypad | 1 input per column plus 1 input per row |
Configuring Sensors with the AD7142 or AD7143 Sequencer
The sequencer on the AD7142 or AD7143 has 12 conversion stages. Each sensor, or sensor segment, uses one sequencer stage to achieve its connection to the CDC. The only exception to this is differential buttons; these use one stage between two buttons.
For all 12 sequencer stages, each CIN input pin must be connected to the CDC (positive or negative terminal) or internal bias node (CSHIELD), or left floating. Any CIN inputs that are not being measured in a sequencer stage should be connected to the internal bias node, and only the CIN input that is being measured in the relevant stage should be connected to the CDC. When the user activates the sensor, the output of the converter decreases if the CIN input pin is tied to the positive input of the converter. When the user activates the sensor, the output of the converter increases if the CIN input pin is tied to the negative input of the converter.
Each stage in the sequencer has an associated register that sets the connections to the CDC for that stage. These registers are in Bank 2; see the AD7142 and AD7143 data sheets for detailed register addresses for each stage. For each stage, two register bits set the connection to the CDC, as shown in Figure 16.
| Sensor Type | Number of Sequencer Stages | Connection to CDC Input |
| Button | 1 | Negative or positive CDC input. |
| Two Differential Buttons | 1 | First button connected to negative CDC input; second button connected to positive CDC input. |
| 8-Way Switch | 2 (2 pairs of differential buttons) | Top and bottom buttons connect to negative and positive CDC input on first stage; left and right buttons connect to negative and positive CDC input on second stage. |
| Discrete Slider/Scroll Wheel | 1 stage per sensor segment | Each sensor segment connects to positive CDC input. |
| Matrix Keypad | 1 stage per column plus 1 stage per row | Each sensor segment connects to positive CDC input. |
Sensor Integration
The sensor PCB is designed for integration into devices such as MP3 players, cell phones, and digital still cameras. To achieve this, the sensor PCB should be glued to the underside of the device plastic. 3M™ Adhesive Transfer Tape 467MP (double-sided tape) is recommended. The sensors operate correctly underneath a plastic layer up to a maximum of 4 mm to 6 mm thick. Recommended plastic thickness is 2 mm. The sensors do not work if covered by metal.
For devices with a metal chassis, the metal keep out requirement is 0.1 mm around the sensor area. Any metal in proximity (within 5 cm) to the sensor PCB must be grounded. Floating metal close to the sensors interferes with their operation. There should also be a keep out area at the rear of the PCB because this is where the AD7142 or AD7143 is mounted. The keep out area should be sufficient to ensure there is no pressure on the AD7142/AD7143 IC, and that the tracks on the PCB are not shorted.
No air gap is allowed between the sensor PCB and the covering plastic. Air gaps have a severe effect on the reliability and robustness of the sensor operation.
References Designs and other Sensor Shapes
Analog Devices has a number of sensor reference designs available for products such as MP3 and personal media players, digital still cameras, and other consumer products. Other sensor shapes and designs are possible, for example cross-shape scroll sensors, semicircular sensors, and nonstandard button shapes. Contact cdc@analog.com for more information on reference designs and sensor shapes.
Sensor Design Example
The required sensor design is shown in Figure 17.
The required sensor design is a slider, an 8-way switch, and two buttons. The buttons are required to operate at the same time, and therefore, cannot be differential. The sensor components are available as part of a PADS layout library from Analog Devices. Once the sensor components are arranged, the next step is to connect the sensors to the AD7142 or AD7143. The excitation source connects to all sensor traces on the top layer of the sensor PCB.
The slider requires eight CIN inputs to the AD7142 or AD7143. The buttons require one CIN input each, and the 8-way switch requires four CIN inputs. Figure 18 shows a method for connecting the sensors to the AD7142 (the method is the same for AD7143). The slider connects using CIN4 through CIN11. The left button connects to CIN1, and the right button connects to CIN3. The left connection from the 8-way switch is connected to CIN0, the top to CIN2, the right to CIN12, and the bottom to CIN13.
When the layout is finalized, the sequencer for the AD7142 or AD7143 must be set up for this particular sensor configuration. There are 12 stages in the sequencer. Each of the eight slider elements requires one sequencer stage. The buttons require one stage each, and the 8-way switch requires one stage for the top and bottom elements, and one stage for the left and right elements. Table 8 shows the connections for each CIN input for each sequencer stage.
| Sequencer | Sensor | CIN Connections | AD7142/AD7143 Register Addresses and Settings |
| Stage0 | Left button |
CIN1 is connected to the CDC positive input; CIN0, and CIN2 to CIN13 are connected to CSHIELD |
0x080[15:0] = 00 11 11 11 11 11 10 11 0x081[15:0] = XX 11 11 11 11 11 11 11 |
| Stage1 | Right button |
CIN3 is connected to the CDC positive input; CIN0, CIN2, and CIN4 to CIN13 are connected to CSHIELD |
0x088[15:0] = 00 11 11 11 10 11 11 11 0x089[15:0] = XX 11 11 11 11 11 11 11 |
| Stage2 | Slider Segment 1 |
CIN4 is connected to the CDC positive input; CIN0 to CIN3 and CIN5 to CIN13 are connected to CSHIELD |
0x090[15:0] = 00 11 11 10 11 11 11 11 0x091[15:0] = XX 11 11 11 11 11 11 11 |
| Stage3 | Slider Segment 2 |
CIN5 is connected to the CDC positive input; CIN0 to CIN4 and CIN6 to CIN13 are connected to CSHIELD |
0x098[15:0] = 00 11 10 11 11 11 11 11 0x099[15:0] = XX 11 11 11 11 11 11 11 |
| Stage4 | Slider Segment 3 |
CIN6 is connected to the CDC positive input; CIN0 to CIN5 and CIN7 to CIN13 are connected to CSHIELD |
0x0A0[15:0] = 00 10 11 11 11 11 11 11 0x0A1[15:0] = XX 11 11 11 11 11 11 11 |
| Stage5 | Slider Segment 4 |
CIN7 is connected to CDC positive input; CIN0 to CIN6 and CIN8 to CIN13 are connected to CSHIELD |
0x0A8[15:0] = 00 11 11 11 11 11 11 11 0x0A9[15:0] = XX 11 11 11 11 11 11 10 |
| Stage6 | Slider Segment 5 |
CIN8 is connected to CDC positive input; CIN0 to CIN7 and CIN9 to CIN13 are connected to CSHIELD |
0x0B0[15:0] = 00 11 11 11 11 11 11 11 0x0B1[15:0] = XX 11 11 11 11 11 10 11 |
| Stage7 | Slider Segment 6 |
CIN9 is connected to CDC positive input; CIN0 to CIN8 and CIN10 to CIN13 are connected to CSHIELD |
0x0B8[15:0] = 00 11 11 11 11 11 11 11 0x0B9[15:0] = XX 11 11 11 11 10 11 11 |
| Stage8 | Slider Segment 7 |
CIN10 is connected to the CDC positive input; CIN0 to CIN9 and CIN11 to CIN13 are connected to CSHIELD |
0x0C0[15:0] = 00 11 11 11 11 11 11 11 0x0C1[15:0] = XX 11 11 11 10 11 11 11 |
| Stage9 | Slider Segment 8 |
CIN11 is connected to the CDC positive input; CIN0 to CIN10, CIN12, and CIN13 are connected to CSHIELD |
0x0C8[15:0] = 00 11 11 11 11 11 11 11 0x0C9[15:0] = XX 11 11 10 11 11 11 11 |
| Stage10 | 8-way switch top and bottom |
CIN2 is connected to the CDC positive input; CIN13 is connected to the CDC negative input; CIN0, CIN1, and CIN3 to CIN12 are connected to CSHIELD |
0x0D0[15:0] = 00 11 11 11 11 10 11 11 0x0D1[15:0] = XX 01 11 11 11 11 11 11 |
| Stage11 | 8-way switch left and right |
CIN0 is connected to the CDC positive input; CIN12 is connected to the CDC negative input; CIN0, CIN1, and CIN3 to CIN12 are connected to CSHIELD |
0x0D8[15:0] = 00 11 11 11 11 11 11 10 0x0D9[15:0] = XX 11 01 11 11 11 11 11 |

















