AN-2600: マルチバンド・アプリケーション—RF トランシーバ
スコープ
このアプリケーション・ノートでは、ADRV9040 をマルチバンド・アプリケーションに使用する場合の詳細について説明します。ADRV9040 の詳細については、データシート、システム開発ユーザ・ガイド(SDUG)、および付録のセクションに記載のアプリケーション・ノートを参照してください。
はじめに
ADRV9040 8T8R2O RF トランシーバは、デュアルLO 機能およびパスに追加されたLO分周器によるマルチバンド機能を備えており、レシーバおよびトランスミッタ・チャンネルの広帯域動作が可能です。これにより、調整可能範囲内に4 つの個別のバンド・プロファイルが設定可能となるため、ユース・ケースの柔軟性を最大限に高めることができます。図1 に、マルチバンド動作を可能にするこの機能の概要を示します。
マルチバンドの概要
ADRV9040 トランシーバは、互いに独立した8T8R2ORX チャンネルをサポートしています。ただし、場合によっては、データ・レートや運用シナリオに応じて8 つのトランスミッタ/レシーバ・チャンネルを同一の帯域で動作させる必要がないこともあります。また、ユーザが他の帯域のライセンスを持っている場合もあります。すなわち、他の帯域に対応するためのRUを追加することなく、同一のRRH/RU でマルチバンドに対応する可能性が考えられます。
8T8R を単一の帯域で使用する代わりに、必要に応じて単一のRRH で2 × 4T4R 構成にしたり4 × 2T2R 帯域の構成にしたりできます。
マルチバンド・アプリケーションに対応したADRV9040
ADRV9040 は、以下に説明する主要な機能によってマルチバンドに対応します。
- 可変のルート分周器およびリーフ分周器を使用したデュアルLO をサポートし、様々なトランスミッタ、レシーバ、およびORX チャンネルにLO をマルチプレックスすることが可能
- トランスミッタ、レシーバ、およびオブザベーション・レシーバの各チャンネルに対応する幅広いRF 帯域幅
- BDUC/BDDC、CDUC/CDDC ブロックに搭載されたNCO
- 4 つの異なるプロファイルを設定可能
ADRV9040 は400MHz の広い帯域幅(BW)をサポートしているため、互いに近接した2 つの帯域があり、この2 つの帯域を合わせたBWが、フロント・エンドがサポートする400MHz BW以内である場合、無線の小信号設計に変更を加える必要がありません。これも利点です。
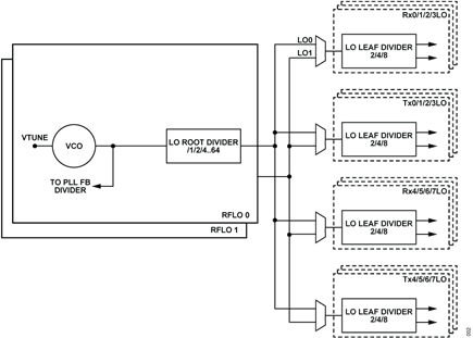
可変のルート分周器およびリーフ分周器を使用したデュアルLO
このデバイスには、設定可変性の高いLO生成回路が実装されており、2 つのRF LO ソースに対して柔軟性に優れたLO の割り当てが可能です。LOGEN回路を図2 に示します。この回路は、RF電圧制御発振器(RFVCO)の近くに配置されたルート分周器と、レシーバおよびトランスミッタ・スライスのそれぞれに配置された個別のリーフ分周器で構成されています。ルート分周器の分周比は、バイナリ・ステップで1/2/4/8/16/32/64 です。リーフ分周器の分周比は2/4/8 です。この構成により、トランスミッタ・パスとレシーバ・パスのそれぞれで2 の累乗のLO を生成し、4T4R セクションのいずれかで2 の累乗でないLO を生成することもできます。
例えば、マルチバンドのセットアップで、1 つの4T4R セクションに3.5GHz のLO、2T2R に1.8GHz、残りの2T2R に900MHz を生成したい場合、以下のようにRF LO を設定することができます。
- トランスミッタ/レシーバの0~3 用に3.5GHz を生成するため、RFLO1 電圧制御発振器(VCO)を14GHz に設定し、その後段で4 分周します。ここで、ルート分周器= 2、リーフ分周器= 2 です。
- トランスミッタ/レシーバの4~5 用に1.8GHz を生成するため、RFLO2 VCO を7.2GHz に設定し、その後段で4 分周します。ここで、ルート分周器= 2、リーフ分周器= 2 です。
- トランスミッタ/レシーバの6~7 用に900MHz を生成するため、RFLO2 VCO を7.2GHz に設定し、その後段で8 分周します。ここで、ルート分周器= 2、リーフ分周器= 4 です。
多くの場合、ADRV9040 の幅広い帯域幅があれば、1 つのRF 局部発振器(RFLO)にオンチップのNCO を組み合わせることで様々なマルチバンド構成に十分対応できます。この場合、未使用のRFLO をパワー・ダウンして電力を削減できます。
RFLO1 = RFLO2 に設定することは推奨しません。この設定は、2 つのPLL 間に不要なカップリングを発生させる可能性があります。共通のRFLO が必要な場合は、RFPLL1 かRFPLL2 のどちらかを必要な周波数に設定してTxLOとRxLO の両方にマルチプレックスします。TXLO = RXLO = RFLO1、またはTXLO =RXLO = RFLO2 のどちらかに設定し、使用しないRFLO をパワー・ダウンしてください。
トランスミッタ、レシーバ、およびオブザベーション・レシーバの各チャンネルに対応する幅広いRF 帯域幅
ADRV9040 トランシーバの利点は、幅広い帯域幅をサポートしていることです。トランスミッタ/レシーバの各チャンネルは400MHz の帯域幅をサポートします。キャリア・デジタル・アップ・コンバータ(CDUC)/キャリア・デジタル・ダウン・コンバータ(CDDC)をバイパスした場合、iBW/OBW がサポートする最大帯域幅は400MHz です。CDUC/CDDC を有効化した場合は、660MHz の最大BW が可能で、占有帯域幅(OBW)は400MHz をサポートします。図3 に、LO 周波数を基準としたADRV9040 のBW表示を示します。
オブザベーション・レシーバ・チャンネルは800MHzの広いBWを持っています。このチャンネルはモニタリングのために使用されます。また、局部発振器リーク(LOL)とデジタル・プリディストーション(DPD)トラッキングのキャリブレーションにも使用されます。
BDUC/BDDC、CDUC/CDDC ブロックに搭載されたNCO
バンド・デジタル・アップ・コンバージョン(BDUC)/バンド・デジタル・ダウン・コンバージョン(BDDC)ブロックにはNCO が搭載されています。これは、キャリアを適切な位置に設定するために使用されます。数値制御発振器(NCO)の最大周波数範囲は、NCO の入力レートに応じて1GHz まで設定できます。
同様に、キャリア・デジタル・アップ・コンバージョン(CDUC)/キャリア・デジタル・ダウン・コンバージョン(CDDC)ブロックにもNCO が搭載されており、必要に応じてBDUC/BDDC のNCO 周波数の設定値と組み合わせてキャリアを適切な位置に設定するために使用されます。
以下の図は、UC75 のトランスミッタ・パスの一部として使用する場合の例です。BDUC NCO とCDUC NCO を異なる周波数に設定することで適切なキャリア周波数が得られます。BDDCNCO とCDC NCO を設定することにより、同じ手法をレシーバ・パスにも使用できます。表1 に、NCO 周波数と、これを使用して最終的に得られるキャリア周波数を示します。
| LO Frequency | 3600 | ||
| Carrier | BDUC NCO | CDUC NCO | Carrier Center Frequency |
| C0 | 160 | 0 | 3760 |
| C1 | −125 | −40 | 3435 |
| C4 | −125 | 45 | 3520 |
図4 に、トランスミッタ・パスにおけるBDUC NCO の位置、および最終的なキャリア周波数を得るために使用するNCO 周波数を示します。
図5 に、トランスミッタ・パスのCDUC ブロックにおけるCDUC NCO の位置、および最終的なキャリア周波数を得るために使用するNCO 周波数を示します。
図6 に、レシーバ・パスにおけるBDDC NCO の位置、および最終的なキャリア周波数を得るために使用するNCO 周波数を示します。図7 に、レシーバ・パスのCDDC ブロックにおけるCDDC NCOの位置、および最終的なキャリア周波数を得るために使用するNCO 周波数を示します。
4 つの異なるプロファイルを設定可能
このトランシーバは、デュアルLOとこれに必要な分周器、幅広い帯域幅に対応したトランスミッタ/レシーバ/オブザベーション・レシーバ・チャンネルを備えていますが、ユーザは使用するプロファイルに応じてこれらを個別に設定できなくてはなりません。このトランシーバが対応できるプロファイルは最大4 つです。すなわち、4 × 2T2R 帯域の組み合わせを設定できます。
図8 に、LO0 をProfile 0 に、LO1 をProfile 1 に割り当てたときのGUI のスニペットを示します。
もう1 つの例として、RF PLL0 の3.6GHz をProfile 0 に、1.8GHzをProfile 1 に、900MHz をProfle 2 に割り当て、RF PLL1 を700MHz 帯域に設定した場合を図8 の右側のスニペットに示します。
各プロファイルにLOを割り当てられるのと同様に、各プロファイルに対して、必要なキャリア周波数、時分割デュプレックス(TDD)モードか周波数分割デュプレックス(FDD)モードか、およびクレスト・ファクタ低減(CFR)/DPD を有効化するかしないか、の設定が可能です。
オブザベーション・レシーバ・チャンネルもプロファイル割り当て設定機能を持っており、キャリブレーション(LOL、DPD)を実行する必要がある場合にトランスミッタ・プロファイルに合わせて調整できます。
また、このトランシーバは、無線制御モードを組み合わせた動作も可能です。すなわち、トランスミッタ/レシーバのいくつかをアプリケーション・プロセッサ・インターフェース(API)モードにしたり、他のトランスミッタ/レシーバをPIN モードにしたりすることも可能です。これが必要となるのは、FDDモードはAPI とPIN の両方の無線制御モードで動作できる一方、TDD モードは通常、時間のアライメントを向上させるためにPIN モードにする必要がある場合です。
マルチバンドで設定可能なオプション
帯域のDL/UL 周波数に応じて、必要なマルチバンドを設定するために可能なオプションは多くあります。課題は主にLO周波数のプランニングに起因します。対応する帯域でのデュプレックスの時間間隔、瞬時帯域幅(IBW)、およびOBWを考慮して、以下のオプションの中から1 つを選択できます。
- オプション1:1 つのLO ですべての帯域に対応できないか確認する。
- オプション2:一方のLO をすべての帯域のDL 帯域として使用し、もう一方のLO をすべての帯域のUL 帯域として使用する。
- オプション3:1 つのLO を同じ帯域のDL/UL に使用する。この場合、LO の位置に注意する必要があります。
- オプション4:すべての帯域のUL/DL 周波数を組み合わせ、2 つのLO で調整できるようにする。
マルチバンド動作時の周波数プランニングにおいて満たすべき条件
上記のセクションで説明したオプションのいずれを選択することもできますが、LO 周波数を基本BW として選択し、LO 周波数を基準に合成BW を定義する際には、以下について考慮する必要があります。
- 直交誤差補正(QEC)、LOL、DPD などのトラッキング・キャリブレーションが期待どおりに動作していることを確認してください。
- 良好なDPD 性能を得るため、相互変調歪み(IMD)積の3倍以上が合成BW 内に含まれるようにしてください。
- DL のイメージが必要とするUL 帯域に入らないこと、およびそれによる感度低下が発生していないことを確認してください。
- LO の両方を使用する場合、それらが100MHz 以上離れていることを確認してください(キャリアBWが100MHz 以上の場合、該当します)。
設定可能な組み合わせ
ADRV9040 トランシーバを使用すると以下のマルチバンドの組み合わせが可能です。
- FDD モードで2 × 4T4R1O
- TDD モードで2 × 4T4R1O
- 1 × 4T4R1O FDD + 1 × 4T4R1O TDD
- FDD モードで4 × 2T2R クワッド・バンド
- TDD モードで4 × 2T2R クワッド・バンド
マルチバンド・ソリューションの例
デュアル・バンドB1(FDD)およびB3(FDD)の2 × 4T4R ソリューション
B1 とB3 の両方がFDD 帯域で、DL およびUL 帯域が表2 に示す周波数の場合を例に説明します。
| Band | Uplink | Downlink |
| Band 1 | 1920-1980 | 2110-2170 |
| Band 3 | 1710-1785 | 1805-1880 |
図9 に周波数帯域の配置を示します。UL およびDL 帯域を含むBand1 の総BW は250MHz で、UL およびDL 帯域を含むBand3の総BWは170MHz です。両方の帯域に必要な帯域幅は460MHzです。
両帯域に必要な総BWが460MHz となることを考慮すると、1 つのLO を使用して両帯域に対応する必要がある場合、CDUC/CDDC を有効化したUC が検討可能です。491.52MSPS のレートを使用すると最大BW は400MHz となるため、CDUC/CDDC をバイパスする方法はここでは役に立ちません。また、このような低BW 信号(最大キャリアBW が20MHz)に対して491.52MSPS のIQ レートを使用することは実用的ではありません。
また、一方のLO をBand1 のDL/UL 用に、もう一方のLO をBand3 のDL/UL 用に選択することもできます。そして、トランスミッタ・パスとレシーバ・パスのNCO を使用することで適切なキャリア周波数を得ることができます。
図10 に示すように、1980MHz のLO0 をBand1 のDL/UL パス用に、1757.5MHz のLO1 をBand3 のDL/UL パス用に使用することを考えます。Band1 の周波数プランニング
図11 に示すように、1980MHz のLO0 を使用して中心周波数2140MHz のDL を得るには、160MHz のBDUC NCO シフトを使用します。また、中心周波数1950MHz のULを得るには、−30MHzのBDDC NCO シフトを使用します。
Band3 の周波数プランニング
図12 に示すように、1757.5MHz のLO1 を使用して中心周波数1842.5MHz のDLを得るには、85MHz のBDUC NCOシフトを使用します。また、中心周波数1742.5MHz のUL を得るには、−10MHzのBDDC NCO シフトを使用します。
上記図11 および図12 から、以下のことが確認できます。
- 必要な信号が400MHz の基本BW内に入っている
- DL のイメージが400MHz のBW内に収まっている、すなわちQEC 性能は影響を受けない
- DL 信号の5 × IMD 積が800MHz の合成BW内に入っている
- DL のイメージがUL 帯域に入っていない、すなわちレシーバの感度を低下させない
- 222.5MHz のLO 間隔がある
B1/B3 のトランシーバ設定
2 つの帯域があるので、2 つのプロファイルを使用し、1 つのプロファイルをBand1 に、もう1 つのプロファイルをBand3 に割り当てることができます。図13 に示すように、Tx0~Tx3 とRx0~Rx3 をBand1 用のProfile0 に、Tx4~Tx7 とRx4~Rx7 をBand3 用のProfile1 に割り当てます。ORx0 はProfile0 に、ORx1はProfile1 に割り当てます。
次のステップは、図14 に示すように、LO 周波数をそれぞれのプロファイルに割り当てることです。図15 に示すように、CDUC ページでキャリアの中心周波数を割り当てた後、Profile0 - Band1 のトランスミッタ設定を行います。
図16 に示すように、CDUC ページでキャリアの中心周波数を割り当てた後、Profile1 - Band3 のTx 設定を行います。
図17 に示すように、CDDC ページでキャリアの中心周波数を割り当てた後、Profile0 - Band1 のRx 設定を行います。
図18 に示すように、CDDC ページでキャリアの中心周波数を割り当てた後、Profile1 - Band3 のレシーバ設定を行います。
Profile0 はORx0 を使用し、Profile1 はORx1 を使用します。図19 に示すようにProfile0 - Band1 のORx0 設定を行います。
図20 に示すように、Profile1 - Band3 のORx1 設定を行います。
デュアル・バンドB3(FDD)およびB40(TDD)の2 × 4T4R ソリューション
B3 がFDD 帯域、B40 がTDD 帯域で、表3 に示すDL およびUL周波数を使用する場合について説明します。
| Band | Uplink | Downlink |
| Band 3 (FDD) | 1710-1785 | 1805-1880 |
| Band 40 (TDD) | 2300-2400 | 2300-2400 |
図21 に周波数帯域の配置を示します。UL帯域およびDL帯域を含むBand3 の総BW は170MHz で、UL 帯域およびDL 帯域を含むBand40 の総BW は100MHz です。両方の帯域を組み合わせたBW に必要なのは690MHz です。
両帯域に必要な総BWが690MHz となることを考慮すると、1 つのLO を使用しなければならない場合、CDUC/CDDCを有効化しても無効化しても実現できません。
このシナリオでは、一方のLO をBand3 のDL/UL 用に、もう一方のLO をBand40 のDL/UL 用に選択し、トランスミッタ・パスとレシーバ・パスのNCO を使用することで適切なキャリア周波数を得ることができます。
図22 に示すように、2350MHz のLO0 をBand40 のDL/UL パス用に、1757.5MHz のLO1 をBand3 のDL/ULパス用に使用することを考えます。2350MHz のLO0 には、NCOシフトは不要と考えられます。LO1 の周波数は、DL のイメージがUL 帯域に入らないように選択します。
Band3 の周波数プランニング
このBand3 の周波数プランニングは、Band3 の周波数プランニングで説明した内容と同様です。
Band40 の周波数プランニング
B40 はTDD なので、常にトランスミッタ・パスかレシーバ・パスのいずれかがオンになっているため、難しい問題はありません(図23 を参照)。LO 周波数は帯域中心の2350MHz が選択されています。どのLO周波数を選択することもできますが、それに応じてNCO シフトを使用する必要があります。
この設定では、800MHz の合成BWを使用していますが、必ずしも必要ではなく、500MHz でも問題ありません。
B3 およびB40 帯域の周波数プランニングから、次のことが確認できます。
- 必要な信号が400MHz の基本BW内に入っている
- DL のイメージが400MHz のBW内に収まっている、すなわちQEC 性能は影響を受けない
- DL 信号の5 × IMD 積が800MHz の合成BW内に入っている
- FDD 帯域のB3 では、DL のイメージがUL 帯域に入っていない、すなわちレシーバの感度を低下させない
- 両方のLO には、592.5MHz の間隔がある
B3/B40 のトランシーバ設定
2 つの帯域があるので、2 つのプロファイルを使用して、1 つのプロファイルをBand3 に、もう1 つのプロファイルをBand40 に割り当てることができます。図24 に示すように、Tx0~Tx3 とRx0~Rx3 をBand40 用としてProfile0 に、Tx4~Tx7 とRx4~Rx7をBand3 用としてProfile1 に割り当てます。ORx0 はProfile0 に、ORx1 はProfile1 に割り当てます。
次のステップは、図25 に示すように、LO 周波数をそれぞれのプロファイルに割り当てることです。図26 に示すように、CDUC ページでキャリアの中心周波数を割り当てた後、Profile0 - Band40 のトランスミッタ設定を行います。
図27 に示すように、CDUC ページでキャリアの中心周波数を割り当てた後、Profile1 - Band3 のトランスミッタ設定を行います。
図28 に示すように、CDDC ページでキャリアの中心周波数を割り当てた後、Profile0 - Band1 のレシーバ設定を行います。
図29 に示すように、CDDC ページでキャリアの中心周波数を割り当てた後、Profile1 - Band3 のレシーバ設定を行います。 Profile0 はORx0 を使用し、Profile1 はORx1 を使用します。図30 に示すようにProfile0 - Band40 のORx0 設定を行います。図31 に示すようにProfile1 - Band3 のORx1 設定を行います。
クワッド・バンドB3(FDD)、B40、B41、B78 の4 × 2T2R ソリューション
B3 がFDD 帯域、B40 がTDD 帯域で、表4 に示すDL およびUL周波数を使用する場合について説明します。
| Band | Uplink | Downlink |
| Band 3 (FDD) | 1710-1785 | 1805-1880 |
| Band 40 (TDD) | 2300-2400 | 2300-2400 |
| Band 41 (TDD) | 2496-2690 | 2496-2690 |
| Band 78 (TDD) | 3300-3800 | 3300-3800 |
図32 に周波数帯域の配置を示します。ULおよびDL帯域を含むBand3 の総BW は170MHz で、Band3 用に1 つのLO を選択できます。B78 の周波数帯域を考慮し、LO の1 つを3700MHz(LO0)に設定することで、LO0/2 を1850MHz のB3 に使用することができます。B40 およびB41 帯域については、もう一方のLOであるLO1 を2500MHz に設定することで、これら両方の帯域をカバーできます。
Band78 の周波数プランニング
図33 に示す3700MHz のLO 周波数は、キャリアが、B78 の全帯域内で3700MHz に設定されていると仮定して選択しています。3700MHz のLO を使用すると、3500MHz~3800MHz に配置されるキャリアをカバーでき、プロファイルの基本BW 内に入ります。B78 の残りの帯域である3300MHz~3500MHz をカバーするには、LO を変更する必要があります。
Band3 の周波数プランニング
図34 に示すように、1850MHz のLO0/2 を使用して(LO0 はB78に使用)、中心周波数1842.5MHz のDLを得るには、-7.5MHz のBDUC NCO+ CDUC NCO シフトを使用します。また、中心周波数1742.5MHz のUL を得るには、−102.5MHz のBDDC NCO シフトを使用します。
B3 帯域の周波数プランニングから、次のことが確認できます。
- 必要な信号が400MHz の基本BW内に入っている
- DL のイメージが400MHz のBW内に収まっている、すなわちQEC 性能は影響を受けない
- DL 信号の5 × IMD 積が800MHz の合成BW内に入っている
- DL のイメージがUL 帯域に入っていない、すなわちRX の感度を低下させない
Band40 の周波数プランニング
図35 に示すように、2500MHz のLO1 を使用して中心周波数2350MHz のDL/UL を得るには、-150MHz のBDUC/BDDC NCOシフトを使用します。キャリアはこの帯域中心に配置された100MHz BWであると仮定しています。
Band41 の周波数プランニング
図36 に示すように、2500MHz のLO1 を使用して中心周波数2550MHz のDL/UL を得るには、+50MHz のBDUC/BDDC NCOシフトを使用します。キャリアはこの帯域の2550MHz に配置された100MHz BWであると仮定しています。
Band41 の全RF 帯域幅は194MHz です。LO の変更なしに全BWをカバーする必要があると仮定すると、800MHz の合成BWの範囲内でカバーできるのは3 × IMD までです。この場合、DPD 補正によって条件を満たすことができたとしても、十分にテストする必要があります。
ここに示した例は、キャリアは100MHz BWで2550MHz に配置され、5 × IMD 積がプロファイルの合成BW でカバーされており、DPD の性能が良好であると考えられます。
B3/B40/B41/B78 のトランシーバ設定
4 つのBand があるので、4 つのプロファイルを割り当てることができ、各プロファイルは2T2Rに設定された各帯域に対応します。図37 に示すように、Tx0/Tx1 とRx0/Rx1 をB3 用としてProfile0 に、Tx2/Tx3 とRx2/Rx3 をBand78 用としてProfile1 に、Tx4/Tx5 とRx4/Rx5 をBand40 用としてProfile2 に、Tx6/Tx7 とRx6/Rx7 をBand41 用としてProfile3 に割り当てます。Profile0 とProfile1 はORx0 を、Profile2 とProfile3 はORx1 を使用します。
次のステップは、図38 に示すように、LO 周波数をそれぞれのプロファイルに割り当てることです。図39 に示すように、CDUC ページでキャリアの中心周波数を割り当てた後、Profile0 - Band3 のトランスミッタ設定を行います。
図40 に示すように、CDUC ページでキャリアの中心周波数を割り当てた後、Profile1 - Band78 のトランスミッタ設定を行います。
図41 に示すように、CDUC ページでキャリアの中心周波数を割り当てた後、Profile2 - Band40 のトランスミッタ設定を行います。図42 に示すように、CDUC ページでキャリアの中心周波数を割り当てた後、Profile3 - Band41 のトランスミッタ設定を行います。
図43 に示すように、CDDC ページでキャリアの中心周波数を割り当てた後、Profile0 - Band3 のレシーバ設定を行います。
図44 に示すように、CDDC ページでキャリアの中心周波数を割り当てた後、Profile1 - Band78 のレシーバ設定を行います。
図 45 に示すように、CDDC ページでキャリアの中心周波数を割り当てた後、Profile2 - Band40 のレシーバ設定を行います。
図46 に示すように、CDDC ページでキャリアの中心周波数を割り当てた後、Profile3 - Band41 のレシーバ設定を行います。
Profile0 とProfile1 はORx0 を、Profile2 とProfile3 はORx1 を使用します。図47 に示すようにProfile0 - Band3 のORx0 設定を行います。
図48 に示すようにProfile1 - Band78 のORx0 設定を行います。
図49 に示すようにProfile2 - Band40 のORx1 設定を行います。
図50 に示すようにProfile3 - Band41 のORx0 設定を行います。
注意事項
- デフォルトでは、GUI で利用可能なプロファイルはすべてTDD になっています。プロファイルにFDD 動作がある場合は、DPD をFDD で実行するために、JSON ファイル内のis_TDD パラメータのフラグを手動でfalse に設定する必要があります。
- マルチバンドを対象としたUC のカスタマイズでは、EVB を使用して、特にQEC、LOL、DPD の性能をテストすることを常に推奨します。
- マルチバンド・アプリケーションに関して特別なユース・ケースのご要求がある場合には、ADI EZONE にお問い合わせください。
付録
https://www.analog.com/jp/products/adrv9040.html
https://www.analog.com/jp/products/adrv9040.html#documentation
















































