AN-1383: ADP1046A EEPROM Programming
Introduction
The ADP1046A offers a register map and an EEPROM that are programmed with settings for a specific power topology and application based on the user system preferences. This application note focuses on the hardware considerations and software procedures to program the ADP1046A in a production line environment.
Hardware
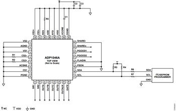
Figure 1 shows the recommended pin settings for the ADP1046A in the EEPROM programming environment. Use surface-mount components for all components. In addition, ceramic capacitors are recommended.
Recommended Pin Settings
Table 1 lists the settings for the components shown in Figure 1.
| Component | Value | Unit | Comments | |||
| VDD Pin | 3.3 | V | ||||
| GND1, 2 | Ground plane of the board | |||||
| NC | No connect pin; leave this pin floating | |||||
| C1 | 0.5 | μF | Capacitor 1 | |||
| C2, C3 | 2.5 | μF | Capacitor 2, Capacitor 3 | |||
| R1, R2 | 5 | kΩ | Resistor 1, Resistor 2 | |||
| R3, R4 | 2.2 | kΩ | Resistor 3, Resistor 4 | |||
| R5 | 10 | kΩ | Resistor 5, 0.1% accurate | |||
| R6, R7 | 10 | Ω | Optional resistors | |||
| 1 One continuous ground plane must be present across the entire area of the board.
2 To avoid noise interference, the SDA, SCL, and GND lines from the programmer to the device must be as small as possible. |
||||||
Additional Layout Recommendations
If the ADP1046A is soldered on the board, then the components listed in Table 1 must be close to the pins, as shown in Figure 4. If a socket is used, place the components on the bottom side of the board near the pins, as shown in Figure 2.
Software Programming
There are two methods for programming register settings into the EEPROM of the device: standard or alternative.
Standard EEPROM Programming
To program the register settings into the EEPROM using the standard method, take the following steps:
- Read the register settings from the “.46r” file that is generated
using either the ADP1046A graphical user interface (GUI)
or a hex file and write the following register values to the
corresponding registers of the device via I2C:
- Write to Register 0x08 to Register 0x0F
- Write to Register 0x22
- Write to Register 0x26 to Register 0x2A
- Write to Register 0x2C to Register 0x37
- Write to Register 0x3B
- Write to Register 0x3F to Register 0x5D
- Write to Register 0x5F to Register 0x7D
- Read back the values written and compare them to the register settings in the .46r file to ensure the write operation was executed correctly.
- To unlock the EEPROM, a repeated write is required to Register 0x88. First, write 0xFF to Register 0x88 and then immediately write 0xFF to Register 0x88 again.
- To upload the contents in the registers to the EEPROM, execute a send command to Register 0x82.
- Wait for 50 ms for the upload to complete.
- To lock the EEPROM, write 0x01 to Register 0x88.
Alternative EEPROM Programming
To program the board settings into the EEPROM using the alternative method, take the following steps and see Figure 5:
- To unlock the EEPROM, a repeated write is required to Register 0x88. First, write 0xFF to Register 0x88 and then immediately write 0xFF to Register 0x88 again.
- Erase EEPROM Page 2 by writing 0x02 to Register 0x87; wait 30 ms to for the erase to complete.
- Set the address offset to zero by writing 0x0000 to Register 0x85.
- Write to EEPROM Page 2 by performing a block write to Register 0x8D using the board data from the hexadecimal file.
- Unlock the EEPROM by writing 0x01 to Register 0x88.
Example Using Hexadecimal File
Board Settings Hexadecimal File
The hexadecimal file reads as follows:
:7E008D000102036000F76000F46000F3B000F48000F4B000F48 000F18000F18000F18000F16400F8A000F46000F46000F45DC0 FC6400F70000000000006E00F9A000F56000F26000F50000000 000000000000000008000F1000000000000000000000000000000 0000006C00F68000F10000000000000000000000000000000000 007E,
Note the following information that is embedded in the file format:
- The first two digits after the colon, 7E, represent the byte count. In this case, it is 126 bytes.
- The next four digits, 008D, represent the address.
- The next two digits, 00, represent the record type.
- The remaining digits, beginning with 0102036 and ending with the final string of 36 zeros, represent the data.
- The final two digits, 7E, represent the checksum.
Format for Storing Board Settings in EEPROM
The data that is written to the EEPROM for board settings starts with 0x010203, it is used by the graphical user interface (GUI) to detect if valid board settings data is present in Page 2 of the EEPROM.
Each board setting is represented as three-byte data in the hexadecimal file. The first two bytes represent the mantissa and the third byte represents the exponent. For example, the first board setting, input voltage of 48 V, is represented as 0x6000F7. To understand the breakdown of the hexadecimal code, see Table 2.
| Mantissa | Exponent | |
| High Bits | Low Bits | |
| 0x60 | 0x00 | 0xF7 |
Converting Hexadecimal Data to Board Settings
- Mantissa = 0x6000
- Mantissa in decimal = 24,576
- Exponent = 0xF7
- Exponent after twos complement = −9
- Input voltage = 24,576 × 2−9 = 48 V
Figure 6 shows the ADP1046A GUI window with the board settings. These settings are further defined in Table 3 where the Item column represents the component locator numbers within Figure 6.
| Item | Board Value | Mantissa | Exponent | |
| High Bits | Low Bits | |||
| 1 | Input voltage = 48 V | 0x60 | 0x00 | 0xF7 |
| 2 | N1 = 6 | 0x60 | 0x00 | 0xF4 |
| 3 | N2 = 3 | 0x60 | 0x00 | 0xF3 |
| 4 | R (CS2) = 11 mΩ | 0xB0 | 0x00 | 0xF4 |
| 5 | I (load) = 8 A | 0x80 | 0x00 | 0xF4 |
| 6 | R1 = 11 kΩ | 0xB0 | 0x00 | 0xF4 |
| 7 | R2 = 1 kΩ | 0x80 | 0x00 | 0xF1 |
| 8 | C3 = 1 μF | 0x80 | 0x00 | 0xF1 |
| 9 | C4 = 1 μF | 0x80 | 0x00 | 0xF1 |
| 10 | N1 (CS1) = 1 | 0x80 | 0x00 | 0xF1 |
| 11 | N2 (CS1) = 100 | 0x64 | 0x00 | 0xF8 |
| 12 | R (CS1) = 10 Ω | 0xA0 | 0x00 | 0xF4 |
| 13 | ESR (L1) = 6 mΩ | 0x60 | 0x00 | 0xF4 |
| 14 | L1 = 6 μH | 0x60 | 0x00 | 0xF4 |
| 15 | C1 = 1500 μF | 0x5D | 0xC0 | 0xFC |
| 16 | ESR (C1) = 50 mΩ | 0x64 | 0x00 | 0xF7 |
| 17 | ESR (L2) = 0 mΩ | 0x00 | 0x00 | 0x00 |
| 18 | L2 = 0 μH | 0x00 | 0x00 | 0x00 |
| 19 | C2 = 220 μF | 0x6E | 0x00 | 0xF9 |
| 20 | ESR (C2) = 20 mΩ | 0xA0 | 0x00 | 0xF5 |
| 21 | R (normal mode) = 1.5 Ω | 0x60 | 0x00 | 0xF2 |
| 22 | R (light load mode) = 12 Ω | 0x60 | 0x00 | 0xF5 |
| 23 | Capacitor across R1 and R2 = 0 μF | 0x00 | 0x00 | 0x00 |
| 24 | Topology = 0 | 0x00 | 0x00 | 0x00 |
| 25 | Switches/diodes = 0 | 0x00 | 0x00 | 0x00 |
| 26 | High-side/low-side sense (CS2) = 0 mΩ | 0x00 | 0x00 | 0x00 |
| 27 | Second LC stage = 1 (only when Item 17 to Item 20 are populated) | 0x80 | 0x00 | 0xF1 |
| 28 | CS1 input type = 0 (default value for internal use) | 0x00 | 0x00 | 0x00 |
| 29 | R3 = 0 kΩ | 0x00 | 0x00 | 0x00 |
| 30 | R4 = 0 kΩ | 0x00 | 0x00 | 0x00 |
| 31 | Pulse-width modulator (PWM) main = 0 (default value for internal use) | 0x00 | 0x00 | 0x00 |
| 32 | C5 = 0 μF | 0x00 | 0x00 | 0x00 |
| 33 | C6 = 0 μF | 0x00 | 0x00 | 0x00 |
| 34 | R6 = 27 kΩ | 0x6C | 0x00 | 0xF6 |
| 35 | R7 = 1 kΩ | 0x80 | 0x00 | 0xF1 |
Resonant Mode Topology
For resonant mode topology (Figure 7), the additional components require different settings than the general board settings listed in Table 3. The resonant mode settings are listed in Table 4.
Phase Shifted, Full Bridge Topology
For phase shifted, full bridge topology (Figure 8) the additional components require different settings than either the general board settings (Table 3) or the resonant mode settings (Table 4). The phase shifted, full bridge settings are listed in Table 5.
| Item | Board Value |
| 1 | Input voltage = 385 V |
| 2 | N1 = 6 |
| 3 | N2 = 3 |
| 4 | R (CS2) = 2.2 mΩ |
| 5 | I (load) = 12.5 A |
| 6 | R1 = 46.4 kΩ |
| 7 | R2 = 1 kΩ |
| 8 | C3 = 1 µF |
| 9 | C4 = 1 µF |
| 10 | N1 (CS1) = 1 |
| 11 | N2 (CS1) = 100 |
| 12 | R (CS1) = 20 Ω |
| 13 | ESR (L1) = 6 mΩ |
| 14 | L1 = 6 µH |
| 15 | C1 = 680 µF |
| 16 | ESR (C1) = 50 mΩ |
| 17 | ESR (L2) = 0 mΩ |
| 18 | L2 = 0 µH |
| 19 | C2 = 330 µF |
| 20 | ESR (C2) = 20 m Ω |
| 21 | R (normal mode), load = 3.84 Ω |
| 22 | R (light load mode), load = 24 Ω |
| 23 | Capacitor across R1 and R2 = 0 (1 = yes, 0 = no) |
| 24 | Topology = 7 (0 = full bridge, 1 = half bridge, 2 = two switch forward, 3 = interleaved two switch forward, 4 = active clamp forward, 5 = resonant mode, 6 = custom) |
| 25 | Switches/diodes = 0 (0 = switches, 1 = diodes) |
| 26 | High-Side/Low-Side Sense (CS2) = 0 (1 = high-side sense, 0 = low-side sense) |
| 27 | Second LC stage = 1 (1 = yes, 0 = no) |
| 28 | CS1 input type = 0 (1 = ac, 0 = dc) |
| 29 | R3 = 0 kΩ |
| 30 | R4 = 0 kΩ |
| 31 | Pulse-width modulator main = 0 (0 = OUTA, 1 = OUTB, 2 = OUTC, 3 = OUTD, 4 = SR1, 5 = SR2, 6 = OUTAUX) |
| 32 | C5 = 0 µF |
| 33 | C6 = 0 µF |
| 34 | R6 = 27 kΩ |
| 35 | R7 = 1 kΩ |
| 36 | C7 = 0.009 µF |
| 37 | L3 = 70 µH |
| 38 | Lm = 400 µH |
| 39 | ResF = 108 kHz |
| 40 | R8 = 145 mΩ |
| 41 | R9 = 10 mΩ |







