AN-1240: Low Cost Video Multiplexer for Video Switching Using the ADA4853-2
Circuit Function and Benefits
This circuit provides a low cost, low power video multiplexer using the ADA4853-2, a dual high speed amplifier. It allows the user to input a fourth video source into a 3-channel video decoder like the 40-lead LFCSP ADV7180. This saves both cost and valuable board space by using a smaller, low cost decoder and allows design reuse if only three video sources are required in a similar design.
Traditional CMOS multiplexers and switches suffer several disadvantages at video frequencies where their on-resistance introduces distortion, degrades differential gain and phase performance, and interacts with the termination resistor to attenuate the incoming video signal and affect the luminance. System designers generally address these issues by adding external buffers to add gain and increase drive capability.
Video multiplexing can be simplified by using high speed video amplifiers with a disable/enable function (sometimes called power-down). When the amplifier is disabled, its output stage goes into a high impedance state. High speed video op amps have all the key features required to make them ideal for this function. Their high input impedance does not affect the characteristic impedance of the transmission line, thus allowing back termination. Because they are video amplifiers, they have inherently good video specifications, including differential gain and phase, slew rate, bandwidth, and 0.1 dB flatness.
For added benefit, each amplifier is configured as a four resistor difference amplifier. This circuit eliminates some of the common-mode noise and phase noise caused by ground potential differences between the incoming video signal and the circuit board ground. Figure 1 only shows a single multiplexer circuit for simplicity, but this circuit can be repeated for each input for as many times as needed.

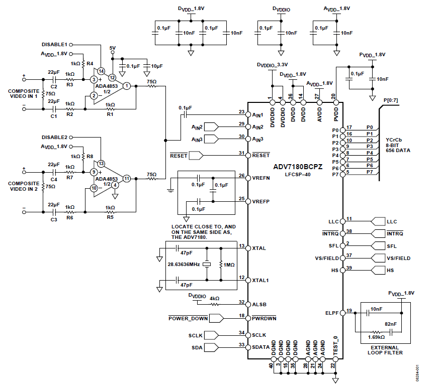
Figure 1. Low Cost Video Multiplexer Using the ADA4853-2 (Simplified Schematic).
Circuit Description
| Product | Description |
| ADA4853-2 | Low cost, high speed, dual, rail-to-rail output op amp |
| ADV7180 | 10-bit, 4× oversampling SDTV video decoder |
The ADA4853-2 is a dual, low power, low cost, high speed, voltage feedback, rail-to-rail output amplifier that has an operating supply range of +2.65 V to +5 V. It is also available as a single (ADA4853-1) or a triple (ADA4853-3). Operating on a single 5 V supply, the input multiplexer configuration shown in Figure 1 provides 14 MHz bandwidth (0.1 dB), gain of +2, and 58 dB off-channel isolation at 10 MHz. The 10 μs channel-to-channel switching time supports CVBS analog video applications. In Figure 1 the ADA4853-2 is configured as a low cost video 2:1 multiplexer for switching video signals.
The ADA4853-2 has individual disable pins for each amplifier. Asserting any one of the disable pins to a voltage less than 1.2 V will put the corresponding amplifier into a disabled state. In this condition, the disabled amplifier presents a high output impedance of approximately 100 kΩ at 5 MHz. The gain setting and feedback resistors of the disabled amplifier appear as additional load to the output of the active amplifier, but their values are very large (approximately 2 kΩ) when compared to the 150 Ω video load termination, and their effect is negligible.
The input stage of the ADA4853-2 includes protection from large differential voltages that may be applied when disabled. Internal clamp diodes limit this voltage to approximately ±1.4 V. The high input-to-output OFF isolation of 55 dB at 10 MHz will be maintained for voltages below this limit.
A critical design consideration that is important to note about the four-resistor difference amplifier architecture is the effect of resistor matching on the common-mode rejection (CMR) of this circuit. The CMR can be calculated using the formula given in Equation 1.

In Equation 1, the term Kr is a single resistor tolerance in fractional form (1% = 0.01, etc.), and it is assumed that the amplifier has significantly higher CMR performance. Using this formula, it shows that if 54 dB or better CMR is desired, then R1, R2, R3, and R4 for amplifier 1 (and the corresponding resistors for amplifier 2) need to have a matching tolerance of 0.1% or better. To prevent the incoming signal from violating the allowable input and output voltage range, it is necessary to provide a dc common-mode voltage. This is conveniently done by connecting R4 and R8 to the 1.8 V analog supply voltage (AVDD 1.8 V).
A function that is often overlooked, but very important, is buffering. For example, many automotive customers use low cost amplifiers to protect more expensive and complex devices, such as video decoders and encoders. Amplifiers with ac- coupled inputs, as shown in Figure 1, help protect such devices from overvoltage and ESD damage.
The ADV7180 automatically detects and converts standard analog baseband television signals compatible with worldwide NSTC, PAL, and SECAM standards into 4:2:2 component video data compatible with the 8-bit ITU-R.656 interface standards. The accurate 10-bit analog-to-digital conversion provides professional quality video performance for consumer applications with true 8-bit data resolution. Three analog video input channels accept standard composite, S-video, or component video signals, supporting a wide range of consumer video sources. Automatic gain control (AGC) and clamp restoration circuitry allow processing of an input video signal with a peak-to-peak range of up to 1.0 V.
The circuit must be constructed on a multilayer PC board with a large area ground plane. Proper layout, grounding, and decoupling techniques must be used to achieve optimum performance (see MT-031 Tutorial and MT-101 Tutorial).
Common Variations
If faster switching times and very high isolation are required, then Analog Devices offers integrated multiplexers based on complementary bipolar technology that offer a better solution at video frequencies. The AD8170/AD8174/AD8180 and AD8182 are bipolar video multiplexers that offer a high degree of flexibility and are ideally suited for video applications. Switching time for all devices in this family of products is 10 ns to 0.1%. The off-channel isolation and crosstalk are typically greater than 80 dB for this family of products.
参考資料
Nisbett, Don. “Low-Cost Video Multiplexing Using High-Speed Amplifiers.” Analog Dialogue. 43-01, Analog Devices.
MT-031 Tutorial, Grounding Data Converters and Solving theMystery of AGND and DGND. Analog Devices.
MT-088 Tutorial, Analog Switches and Multiplexers Basics, Analog Devices.
MT-089 Tutorial, Video Multiplexers and Crosspoint Switches, Analog Devices.
MT-101 Tutorial, Decoupling Techniques. Analog Devices.