AN-1219: Power-Off Protected Data Acquisition Signal Chain Using Fault-Protected CMOS Switches.
Circuit Function and Benefits
When signals come from remotely located sources, there is an increased likelihood that damaging faults can occur. Overvoltage conditions may occur due to systems with poorly designed power supply sequencing or where hot-plug insertion is a requirement. Transient voltages due to poor connections or inductive coupling may damage components if not protected. Faults can also occur due to power supply failures or in cases where there is a loss of the power connection while switch inputs remain connected to analog signals. Significant damage may result from these fault conditions, which can mean expensive repairs.
The circuit shown in Figure 1 provides protection to a data acquisition signal chain using a low on-resistance ADG4612 quad SPST with power off protection. The data acquisition system is composed of the ADA4000-1 low cost, precision JFET input op amp followed by an AD7476 low power, 12-bit, 1 MSPS SAR ADC. The ADG4612 provides low cost protection against loss of power while input signals are still present, as well as overvoltage fault protection up to 16 V. The extra board area required for the ADG4612 is minimal because the device is available in a 3 mm × 3 mm LFCSP as well as a 16-lead TSSOP. The ADG4612 provides protection for four separate data acquisition channels without requiring any additional discrete components.

Figure 1. Fault Protected Data Acquisition Signal Chain Circuit (Simplified Schematic: All Connections and Decoupling Not Shown).
Circuit Description
| Product | Description |
| ADG4612 | Low on-resistance quad SPST switch with power-off protection |
| ADA4000-1 | Low cost, precision JFET input op amp |
| AD7476 | 12-bit, 1 MSPS SAR ADC in a 6-lead SOT-23 |
Figure 1 shows a single channel, fault-protected data acquisition signal chain that is made up of the ADG4612, ADA4000-1, and AD7476. The key to protecting the data acquisition board is the protection features of the ADG4612. The switch is in the isolation mode when no power supplies are present, that is, when VDD is floating or VDD ≤ 1 V or when the input signal, either VS or VD, is greater than VDD supply plus a threshold voltage (VT). Under these condition, the switch inputs are high impedance inputs, ensuring that no current flows that can damage the switch or downstream circuitry. The negative supply rail, VSS, can be floating or 0 V to −5.5 V. The ground pin must be connected to the ground potential.
The inputs of downstream components, such as the ADA4000-1 or AD7476, should be limited to within the supply rails so that, when power supplies are lost or input signals exceed the supply rails, these signals are blocked.
In the off condition, input signal levels of up to 16 V are blocked (assuming VSS = 0 V). The switch also turns off when the analog input signal level exceeds VDD by the threshold voltage, VT (~1.2 V).
For standard CMOS analog switches, power supply requirements are specified in the product data sheet and should be adhered to in order to guarantee optimal part performance and operation. However, due to power supply failures, voltage transients, improper sequencing, and system or user faults, it is not always possible to meet data sheet recommendations.
The source, drain, and logic terminals of standard CMOS switches have ESD protection in the form of clamping diodes to the supplies. This is illustrated in Figure 2. These diodes vary in size depending on the process but are generally designed to be small to minimize leakage current. In normal operation, the diodes are reversed biased and do not pass current. When forward biased, they are not rated to pass currents greater than a few mA and can be damaged if this current is exceeded. Whenever an analog switch input voltage exceeds the supplies, the diodes become forward biased and large currents can flow, meaning that the switch can be damaged, even if the supplies are turned off. Furthermore, the damage caused by a fault is not limited to the switch but can also affect downstream circuitry such as the ADA4000-1 because applying a signal to an unpowered ADA4000-1 exceeds the absolute maximum rating of the device.
The waveform in Figure 3 shows the performance of a standard analog switch when a signal is applied while the supplies are floating. A 6 V p-p sine wave with a 3 V dc offset is applied to the analog inputs, which in turn supply the power through the internal ESD diodes powering up the switch and any other components connected to the same VDD supply. The input signal passes through the switch and is present at the ADA4000-1 inputs, thereby exceeding the maximum ratings of the ADA4000-1.
Another limitation with standard CMOS switches is that, when analog signals exceed the power supplies, VDD and VSS, the supplies are pulled to within a diode drop of the fault signal. Internal diodes become forward biased, and currents flow from the input signal to the supplies. The fault signal can also pass through the switch and damage parts downstream as shown in Figure 4.
If the absolute maximum ratings of the devices are exceeded, the long-term reliability may be affected.
The ADG4612 eliminates the effects of the faults previously shown. There are no internal ESD diodes from the analog or digital inputs to VDD or VSS. Instead, the ADG4612 uses other protection components to protect against ESD events. This means that there is no low impedance path to the supplies during loss of power conditions or overvoltage faults. If signals are present on the ADG4612 inputs before power is present, the switch enters isolation mode, which means that the inputs have high impedance paths to VDD, GND, and the output. This prevents current flow and protects the device as well as downstream circuitry from damage.
Figure 6 shows the result of an overvoltage fault on the analog inputs. In this case, a 6 V p-p sine wave with a 3 V dc offset is applied to the ADG4612, which is powered from ±3.3 V supplies. When the analog input exceeds VDD by a threshold voltage, VT (~1.2 V), the switch enters isolation mode, thereby preventing the fault from damaging downstream circuitry.
The combination of the ADG4612, ADA4000-1, and AD7476 shown in Figure 1 provides a data acquisition circuit that is robust to fault conditions such as loss of power with signals from external sources still present or overvoltage faults on analog inputs.
Note that the input range of the AD7476 is equal to VDD, which also acts as the reference to the ADC. In this case, the input range is 0 V to 3.3 V. To drive the AD7476 linearly over this range, the supply voltages of the ADA4000-1 must be set slightly higher to allow sufficient headroom for the output stage (approximately 1.2 V with respect to the positive supply and 2 V with respect to the negative supply). This is achieved by setting the positive supply voltage of the ADA4000-1 to +5 V, and the negative supply voltage to −3.3 V. The two external Schottky diodes connected to the AD7476 input ensure that there are no problems with power supply sequencing.
For configurations other than an SPST, the ADG4613 is also available; it has two switches with digital control logic similar to that of the ADG4612; the logic is inverted on the other two switches. Each switch conducts equally well in both directions when on, and each switch has an input signal range that extends to the supplies. The ADG4613 exhibits break-before-make switching action for use in multiplexer applications. This device can be configured as a quad SPST, a dual SPDT, or a 4:1 multiplexer to suit different applications.
Excellent layout, grounding, and decoupling techniques must be used to achieve the desired performance from the circuits discussed in this note (see MT-031 Tutorial and MT-101 Tutorial). As a minimum, use a 4-layer PCB with one ground plane layer, one power plane layer, and two signal layers.
Common Variations
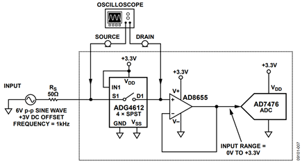
Figure 7 shows a variation of the circuit shown in Figure 1 that operates on a single 3.3 V supply. In this application, an op amp with a rail-to-rail input and output is required to drive the AD7476 over its full input range. The outputs of the AD8655 op amp are specified to drive within 10 mV to 30 mV of each supply rail. This means that there are a small percentage of dead band codes at each end of the full-scale ADC range where linearity suffers.

Figure 7. Single Supply Fault Protected Data Acquisition Signal Chain Circuit (Simplified Schematic: All Connections and Decoupling Not Shown).
For a 30 mV headroom requirement, this is approximately 1% of the 3.3 V input range. Further discussions of op amp rail-to-rail issues, as well as overvoltage protection, can be found in the MT-035 and MT-036 tutorials.
Also note that the ADG4612 operates with a VSS of 0 V in the circuit and still maintains good on-resistance flatness over the input signal range.
The AD8656 is a dual version of the AD8655. The ADA4000-2 and ADA4000-4 are dual and quad versions of the ADA4000-1.
Learn More
MT-035 Tutorial, Op Amp Inputs, Outputs, Single-Supply, and Rail-to-Rail Issues, Analog Devices.
MT-036 Tutorial, Op Amp Output Phase-Reversal and Input Over-Voltage Protection, Analog Devices.
MT-088 Tutorial, Analog Switches and Multiplexers Basics, Analog Devices.




