AN-1055: EMC Protection of the AD7746
Introduction
The AD7746 is a 24-bit capacitance-to-digital converter (CDC). The device measures the capacitance of a floating capacitive sensor directly, that is, the sensor connects directly to the AD7746 input pins.
Electromagnetic interference affects the conversion results since it distorts the electric field around the capacitive sensor and, therefore, alters the capacitance measurement. To protect the AD7746 from this electromagnetic interference, some external filtering is used. However, including filters in the signal path is challenging because the filters degrade the accuracy of the capacitance-to-digital conversions. This application note discusses the EMC performance that can be achieved with an external filter on the AD7746 pins as well as the affect of the filter on the accuracy of the AD7746.
What is EMC?
Electromagnetic compatibility (EMC) refers to the ability to operate in, without overly contributing to, an environment of electromagnetic radiation. When this goal is met, all electronic equipment operates correctly in the presence of other equipment. In a system, there are several EMC coupling paths: radiative, conductive, inductive, and capacitive (see Figure 1).

Figure 1. EMC Coupling Path.
A system designed to operate in a harsh environment must be designed with EMC in mind and EMC testing must be performed during the design phase. There are different levels of EMC testing: testing at the system level, testing subsystems of the overall system, and testing at the IC level. Test methods are defined for each level of EMC testing.
The EMC performance required from a subsystem or IC device depends on the function of the device as well as its location in the system. For example, a device must have high EMC performance in automotive applications if it is connected to a car battery or chassis. If a device is confined within a printed circuit board (PCB), then the EMC level required from the device is less.
The AD7746 is an integrated circuit. Therefore, EMC testing was performed using direct power injection (DPI) in accordance with the international standard IEC 62132—Part 4. The AD7746 is confined within a PCB and it has a local connection to the sensor. Therefore, the level of electromagnetic interference is expected to be low.
Capacitance-To-Digital Converter Architecture
To understand how EMC affects the operation of the AD7746, an understanding of the architecture of the capacitance-to-digital converter (CDC) is useful. A capacitance-to-digital converter measures capacitance by using switching capacitor technology to build up a charge balancing circuit (see Figure 2).

Figure 2. CDC Architecture.
The sensing capacitor, CSENSOR, and the internal reference capacitor, CREF, are switched at a fixed sampling rate, and their charge is pumped into the integrator. A comparator checks the integrator output and controls the phase of the input switches to close the feedback loop, which balances the charges flowing through the CSENSOR and reference paths.
A stream of zeros and ones, which can be seen on the comparator output, varies with the charge needed for the loop balance. The charge is proportional to voltage and capacitance. Because the EXC and VREF voltages have fixed values, the density of zeros and ones represents the ratio between the input capacitance, CSENSOR, and the reference capacitance, CREF. The on-chip digital filter then extracts the information carried by the time-domain pattern of zeros and ones to form the digital result. Since the filtering is digital, the response around dc is repeated around the sampling frequency and multiples of the sampling frequency. Therefore, there is no rejection provided by the on-chip digital filter around the sampling frequency and its multiples.
AD7746
The AD7746 uses a second-order modulator and a third-order sinc filter. The excitation frequency, which is the capacitive input sampling frequency, is equal to 32 kHz by default. Therefore, the on-chip filter response is repeated around 32 kHz and multiples of 32 kHz (see Figure 3). In a noisy environment, some additional filtering on the front end is required to provide rejection at multiples of 32 kHz. The 32 kHz signal must be present to excite and measure the capacitance. Thus, an ideal external filter should allow the 32 kHz signal to pass through unattenuated and then filter all frequencies around 64 kHz and higher.
An ideal brick wall filter would achieve this response (see the green line in Figure 5). However, since a CDC device measures charge going from the excitation pin to the capacitive input pin, the external filter must use passive components only. Therefore, in practice, an actual passive filter is used (see the blue line in Figure 5) This filter has slower roll-off. A tradeoff must be made between passing the 32 kHz without attenuation and attenuating multiples of 32 kHz (see Figure 4).

Figure 3. AD7746 Filter Response.

Figure 4. Frequency Response in 32 kHz Region.

Figure 5. Anti-Aliasing Filter.
EMC Testing
For EMC testing, the DPI setup, as shown in Figure 6, is used. This diagram is taken from the IEC 62132—Part 4 document. The DPI setup consists of an RF signal generator, an RF amplifier, a directional coupler (which is connected through probes to an RF power meter that measures the forward power to the DUT). Measuring the reflected power is optional, because the forward power level must remain constant during the DPI sweep.
All pins of the AD7746 were EMC tested. The EXC, CIN, and VDD pins were found to be the most sensitive. Therefore, this application note focuses on these pins. A continuous RF frequency was applied individually to the CIN, EXC, and VDD pins using ac coupling (see Figure 7) as per IEC 62132—Part 4. The test method recommends using ac-coupling capacitors of 6.8 nF. This capacitance value was used on the VDD pin. However, lower value capacitors (47 pF) were used on the EXC and CIN pins because the value suggested in IEC 62132—Part 4 exceeds the maximum allowed capacitance to ground that can be connected to the AD7746.
The frequency was increased from 1 MHz to 100 MHz in 1 MHz steps and from 100 MHz to 1000 MHz in 10 MHz steps as per IEC 62132—Part 4. Analog Devices, Inc., used a target power level of 50 mW. The error of the AD7746 and its peak-topeak noise was measured at each step.
Since the external filters being used were expected to be less effective at low frequencies and the AD7746 was expected to be sensitive to frequencies around 32 kHz (master clock frequency used by the AD7746) and its multiples, Analog Devices performed an additional sweep over a lower frequency range using a smaller step size of 200 Hz. For all the EMC testing, the AD7746 was configured as follows:
- Differential mode Sampling clock = 32 kHz
- Continuous conversion mode
Gain = 1
Chop disabled
Excitation Voltage = VDD/2
Conversion time = 62.1 ms
A fixed 4 pF capacitor was used in place of the sensor. This capacitance generates a conversion close to full scale. To ensure that the AD7746 conversions remained within the range during the RF interference, the input capacitance was artificially scaled down.

Figure 6. DPI Test Setup.

Figure 7. AD7746 to DPI System Connections.
The noise introduced by the DPI system was evaluated prior to performing the EMC testing. Table 1 shows the peak-to-peak resolution achievable from the AD7746 when the input has no capacitance connected, when the 4 pF capacitor is connected, and when the DPI cables are connected to the system. The cabling degrades the performance of the AD7746.
| Connections to AD7746 | Peak-to-Peak Resolution |
| No Load Capacitance | 15.5 bits |
| With Load Capacitance | 14 bits |
| With Load Capacitance and RF Cables | 12 bits |
AD7746 EMC Performance Without External Filters
The AD7746 was EMC tested without the external filters to determine the EMC performance of the device. All pins were EMC tested. The CIN pins were the most sensitive. Note that the AD7746 remained functional when EMC tested using a target power level of 50 mW. The device never locked up and returned to expected accuracy when the DPI signal was removed.
DPI on the CIN Pins (No External Filters)
When the RF frequency applied to CIN was swept from 1 MHz to 100 MHz in 1 MHz steps and from 100 MHz to 1000 MHz in 10 MHz steps, there was a significant error at low frequencies, in the range from 160 MHz to 210 MHz and at frequencies above 680 MHz (see Figure 8). For RF frequencies above 800 MHz, the AD7746 conversions are not valid.
Peak-to-peak noise increased considerably at the low frequencies (see Figure 9). At high frequencies, the conversions are not valid.

Figure 8. Error when DPI Testing from 1 MHz to 100 MHz in 1 MHz Steps and from 100 MHz to 1000 MHz in 10 MHz Steps on CIN Pins Without External Filters.

Figure 9. Peak-to-Peak Noise when DPI Testing from 1 MHz to 100 MHz in 1 MHz Steps and from 100 MHz to 1 GHz in 10 MHz steps on CIN Pins Without External Filters.
AD7746 EMC Performance With External Filters
Choosing the External Filter
The external filter should allow the 32 kHz signal (AD7746 sampling frequency) to pass through unattenuated and then filter all frequencies around 64 kHz and higher. An ideal brick wall filter would achieve this response (see the green line in Figure 5). However, since a CDC device measures charge going from the excitation pin to the capacitive input pin, the external filter must use passive components only. Therefore, in practice, an actual passive filter is used.
After evaluating several passive filter structures, a second-order filter was selected for the CIN pins because it uses a reasonably small amount of components and it provides good performance in terms of frequency response and roll-off using nonprecision components. Five different second-order filter types were evaluated. These filters were named as
- Light filter
- Light-medium filter
- Medium filter
- Medium-heavy filter
- Heavy filter
Of the five filters, the light filter has the slowest roll-off. Thus, it provides the least rejection at 64 kHz and its multiples. However, the accuracy of the AD7746 is least affected. In contrast, the heavy filter provides the most rejection at 64 kHz and its multiples. However, the larger R and C values used in the filter affect the accuracy of the AD7746.
For the EXC pins, a first-order filter was sufficient to achieve the desired EMC performance. Finally, the VDD pin used standard decoupling capacitors (a 0.1 μF ceramic capacitor in parallel with a 10 μF tantalum capacitor to GND). The desired EMC performance was met with these decoupling capacitors.
CIN Pin
Light Filter
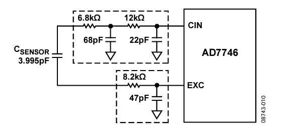
The values of the components used in the second-order filter connected to the CIN pins and in the first-order filter connected to the EXC pins are shown in Figure 10. A fixed 3.995 pF capacitor was used in place of the capacitive sensor. The second-order filter has a cutoff frequency of 455 kHz, the phase shift is −8.4° at 32 kHz, and the attenuation at 1 MHz is −15.5 dB.

Figure 10. Passive Filters on Front End of AD7746.

Figure 11. Frequency Response/Phase Response of Light Filter.
AD7746 Performance with Light Filter
The external filters connected to the CIN and EXC pins influence the accuracy of the AD7746 conversions. Figure 12 shows how the input-to-output transfer function is altered. With the external filters, the offset error is 0.05 pF (1.21% of FS), while the gain error is −0.014 pF (−0.34% of FS).

Figure 12. Input-to-Output Transfer Function of the AD7746 With and Without the External Filter.
EMC Performance with Light Filter
When the RF frequency was swept from 1 MHz to 100 MHz in 1 MHz steps and from 100 MHz to 1000 MHz in 10 MHz steps, there was an error in the capacitive sensor readings at low frequencies. The error was 1.2% of FS typically at the low frequencies. At the higher frequencies, the error reduced to 0.015% of FS typically. When the DPI testing was performed over a range of 1 MHz to 5 MHz in steps of 200 Hz (see Figure 14), there was some sensitivity in narrow bands around multiples of 32 kHz, the maximum error measured being 2.2% of FS.

Figure 13. CIN FS Error: Sweep from 1 MHz to 1000 MHz.

Figure 14. CIN FS Error: Fine Sweep from 1 MHz to 5 MHz in 200 Hz Steps.
When the RF frequency was swept from 1 MHz to 100 MHz in 1 MHz steps and from 100 MHz to 1000 MHz in 10 MHz steps (see Figure 15) the peak-to-peak (p-p) noise was highest at 1 MHz to 2 MHz (3.8 fF). At 740 MHz and 820 MHz, the p-p noise was 2.6 fF. The noise is less than 2.5 fF at all other frequencies.
The red line indicates the p-p noise when the RF frequency is not applied. When the DPI testing was repeated over a range of 1 MHz to 5 MHz in steps of 200 Hz (see Figure 16), the sensitivity in narrow bands around multiples of 32 kHz was seen. The p-p noise was 620 fF maximum near 1 MHz.

Figure 15. CIN Peak-to-Peak Noise: Sweep from 1 MHz to 1000 MHz.

Figure 16. CIN Peak-to-Peak Noise: Fine Sweep from 1 MHz to 5 MHz in 200 Hz Steps.
Light-Medium Filter
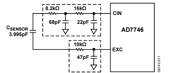
The values of the components used in the second-order filter connected to the CIN pins and the first-order filter connected to the EXC pins are shown in Figure 17.
A fixed 3.995 pF capacitor was used in place of the capacitive sensor. The second-order filter has a cutoff frequency of 359 kHz, the phase shift is −10.5° at 32 kHz, and the attenuation at 1 MHz is −19 dB.

Figure 17. Passive Filters on Front End of AD7746.

Figure 18. Frequency Response of Light-Medium Filter.
AD7746 Performance with Light-Medium Filter
The external filters connected to the CIN and EXC pins influence the accuracy of the AD7746 conversions. Figure 19 shows how the input-to-output transfer function is altered. With the external filters, the offset error is 0.28 pF (6.84% of FS), while the gain error is −0.16 pF (−3.90% of FS).

Figure 19. Input-to-Output Transfer Function of the AD7746 With and Without the External Light-Medium Filter.
EMC Performance with Light-Medium Filter
When the RF frequency was swept from 1 MHz to 100 MHz in 1 MHz steps and from 100 MHz to 1000 MHz in 10 MHz steps (see Figure 20), there was an error in the capacitive sensor readings between 1 MHz and 2 MHz. The maximum error was 0.7% at 1 MHz. Above 2 MHz, the maximum error measured was 0.013%. When the DPI testing was repeated over a range of 1 MHz to 5 MHz in steps of 200 Hz (Figure 21), the sensitivity around multiples of 32 kHz is reduced, with the maximum error recorded being 0.8% of FS.

Figure 20. CIN FS Error: Sweep from 1 MHz to 1000 MHz.

Figure 21. CIN FS Error: Fine Sweep from 1 MHz to 5 MHz in 200 Hz Steps.
When the RF frequency was swept from 1 MHz to 100 MHz in 1 MHz steps and from 100 MHz to 1000 MHz in 10 MHz steps (see Figure 22), the peak-to-peak noise was highest at 1 MHz (4.6 fF). When the DPI testing was repeated over a range of 1 MHz to 5 MHz in steps of 200 Hz (Figure 23), the peak- to-peak noise was 430 fF maximum near 1 MHz. The noise decreases gradually as the RF frequency is increased.

Figure 22. CIN Peak-to-Peak Noise: Sweep from 1 MHz to 1000 MHz.

Figure 23. CIN Peak-to-Peak Noise: Fine Sweep from 1 MHz to 5 MHz in 200 Hz Steps.
Medium Filter
The values of the components used in the second-order filter connected to the CIN pins and the first-order filter connected to the EXC pins are shown in Figure 24. A 3.995 pF capacitor was used in place of the capacitive sensor. The second-order filter has a cutoff frequency of 205 kHz, the phase shift is −18.4° at 32 kHz, and the attenuation at 1 MHz is −28 dB.

Figure 24. Passive Filters on Front End of AD7746 (Medium Filter).

Figure 25. Frequency Response of Medium Filter.
AD7746 Performance with Medium Filter
The external filters connected to the CIN and EXC pins influence the accuracy of the AD7746 conversions. Figure 26 shows how the input-to-output transfer function is altered. With the external filters, the offset error is 0.83 pF (20.14% of FS), while the gain error is −0.62 pF (−15.19% of FS).

Figure 26. Input-to-Output Transfer Function of the AD7746 With and Without the External Medium Filter.
EMC Performance with Medium Filter
When the RF frequency was swept from 1 MHz to 100 MHz in 1 MHz steps and from 100 MHz to 1000 MHz in 10 MHz steps (see Figure 27) there was an error in the capacitive sensor readings between 1 MHz and 2 MHz. The maximum error was 0.07% at 1 MHz. Above 2 MHz, the maximum full-scale error measured was 0.02%. When the DPI testing was repeated over a range of 1 MHz to 5 MHz in steps of 200 Hz (see Figure 28), there is still some susceptibility to frequencies around multiples of 32 kHz but the maximum full-scale error measured was reduced to 0.35% of FS.

Figure 27. CIN FS Error: Sweep from 1 MHz to 1000 MHz.

Figure 28. CIN FS Error: Fine Sweep from 1 MHz to 5 MHz in 200 Hz Steps.
When the RF frequency was swept from 1 MHz to 100 MHz in 1 MHz steps and from 100 MHz to 1000 MHz in 10 MHz steps (see Figure 29), the peak-to-peak noise was highest at 7 MHz (5.22 fF). When the DPI testing was repeated over a range of 1 MHz to 5 MHz in steps of 200 Hz (see Figure 30), the peak-to-peak noise was 140 fF maximum near 1 MHz. The noise decreases gradually as the RF frequency is increased.

Figure 29. CIN Peak-to-Peak Noise: Sweep from 1 MHz to 1000 MHz.

Figure 30. CIN Peak-to-Peak Noise: Fine Sweep from 1 MHz to 5 MHz in 200 Hz Steps.
Medium-Heavy Filter
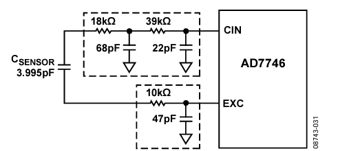
The values of the components used in the second-order medium-heavy filter connected to the CIN pins and the firstorder filter connected to the EXC pins are shown in Figure 31. A 3.995 pF capacitor was used in place of the capacitive sensor. The second-order filter has a cutoff frequency of 156 kHz, the phase shift is −23.6° at 32 kHz, and the attenuation at 1 MHz is −33 dB.

Figure 31. Passive Filters on Front End of AD7746 (Medium-Heavy Filter).

Figure 32. Frequency Response of Medium-Heavy Filter.
AD7746 Performance with Medium-Heavy Filter
The external filters connected to the CIN and EXC pins influence the accuracy of the AD7746 conversions. Figure 33 shows how the input-to-output transfer function is altered. With the external filters, the offset error is 0.83 pF (20.18% of FS), while the gain error is −0.83 pF (−20.23% of FS).

Figure 33. Input-to-Output Transfer Function of the AD7746 With and Without the External Medium-Heavy Filter.
EMC Performance with Medium-Heavy Filter
When the RF frequency was swept from 1 MHz to 100 MHz in 1 MHz steps and from 100 MHz to 1000 MHz in 10 MHz steps (see Figure 34), the maximum full-scale error measured was 0.021% at 1 MHz. The maximum full-scale error over the remaining range was 0.013%. When the DPI testing was repeated over a range of 1 MHz to 3 MHz in steps of 200 Hz (see Figure 35), the maximum full-scale error measured was 0.2% of FS.

Figure 34. CIN FS Error: Sweep from 1 MHz to 1000 MHz.

Figure 35. CIN FS Error: Fine Sweep from 1 MHz to 3 MHz in 200 Hz Steps.
When the RF frequency was swept from 1 MHz to 100 MHz in 1 MHz steps and from 100 MHz to 1000 MHz in 10 MHz steps (see Figure 36), the peak-to-peak noise was highest at 84 MHz (4.7 fF). When the DPI testing was repeated over a range of 1 MHz to 3 MHz in steps of 200 Hz (see Figure 37), the maximum peak-to-peak noise measured was 82 fF. The noise decreases gradually as the RF frequency is increased.

Figure 36. CIN Peak-to-Peak Noise: Sweep from 1 MHz to 1000 MHz.

Figure 37. CIN Peak-to-Peak Noise: Fine Sweep from 1 MHz to 3 MHz in 200 Hz Steps.
Heavy Filter
The values of the components used in the second-order medium-heavy filter connected to the CIN pins and the firstorder filter connected to the EXC pins are shown in Figure 38. A 3.995 pF capacitor was used in place of the capacitive sensor. The second-order filter has a cutoff frequency of 80 kHz, the phase shift is −44.8° at 32 kHz, and the attenuation at 1 MHz is −44 dB.

Figure 38. Passive Filters on Front End of AD7746 (Heavy Filter).

Figure 39. Frequency Response of Heavy Filter.
AD7746 Performance with Heavy Filter
The external filters connected to the CIN and EXC pins influence the accuracy of the AD7746 conversions. Figure 40 shows how the input-to-output transfer function is altered. With the external filters, the offset error is 1.3 pF (32.05% of FS), while the gain error is −2.39 pF (−58.32% of FS).

Figure 40. Input-to-Output Transfer Function of the AD7746 With and Without the External Medium-Heavy Filter.
EMC Performance with Heavy Filter
When the RF frequency was swept from 1 MHz to 100 MHz in 1 MHz steps and from 100 MHz to 1000 MHz in 10 MHz steps (see Figure 41), the maximum full-scale error measured was 0.01%. When the DPI testing was repeated over a range of 1 MHz to 3 MHz in steps of 200 Hz (see Figure 42), the maximum full-scale error measured was 0.05% of FS.

Figure 41. CIN FS Error: Sweep from 1 MHz to 1000 MHz.

Figure 42. CIN FS Error: Fine Sweep from 1 MHz to 3 MHz in 200 Hz Steps.
When the RF frequency was swept from 1 MHz to 100 MHz in 1 MHz steps and from 100 MHz to 1000 MHz in 10 MHz steps (see Figure 43), the peak-to-peak noise was highest at 84 MHz (3.7 fF). When the DPI testing was repeated over a range of 1 MHz to 3 MHz in steps of 200 Hz (see Figure 44), the maximum peak-to-peak noise measured was 30 fF.

Figure 43. CIN Peak-to-Peak Noise: Sweep from 1 MHz to 1000 MHz.

Figure 44. CIN Peak-to-Peak Noise: Fine Sweep from 1 MHz to 3 MHz in 200 Hz Steps.
EXC Pin
DPI On The EXC Pins (No External Filters)
The AD7746 EXC pins were EMC tested without the external filters. Note that the AD7746 remained functional when EMC was tested using a target power level of 50 mW. The device never locked up and returned to expected accuracy when the DPI signal was removed.
When the RF frequency applied to EXC was swept from 1 MHz to 100 MHz in 1 MHz steps and from 100 MHz to 1000 MHz in 10 MHz steps, there was an error of 6% at the lower frequencies. There was an error of 40% for frequencies up to 700 MHz. Above 700 MHz, the error increased.

Figure 45. EXC FS Error: Sweep from 1 MHz to 1000 MHz (No External Filters).
When the RF frequency was swept from 1 MHz to 100 MHz in 1 MHz steps and from 100 MHz to 1000 MHz in 10 MHz steps (see Figure 46), the maximum peak-to-peak noise was 70 fF.

Figure 46. EXC Peak-to-Peak Noise: Sweep from 1 MHz to 1000 MHz (No External Filters).
Choosing the External Filter
A filter connected to the EXC pin prevents the RF frequencies from entering the AD7746. Any signal seen internally on the EXC pin may be coupled to the CIN pin internally. A first-order filter is sufficient to protect the EXC pin. However, the RF signal applied to the EXC pin is coupled through the capacitor, CSENSOR, and is seen by CIN.
AD7746 EMC Performance With External Filters
DPI on the EXC Pins
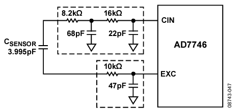
Figure 47 shows the component value for the first-order filter on the EXC pin when the light-medium filter is connected to the CIN pins.

Figure 47. Light-Medium Filter.
When the RF frequency was swept from 1 MHz to 100 MHz in 1 MHz steps and from 100 MHz to 1000 MHz in 10 MHz steps (see Figure 48), the maximum full-scale error measured was 0.0431% at 1 MHz. For higher frequencies, the error was less than 0.008%.

Figure 48. EXC FS Error: Sweep from 1 MHz to 1000 MHz (External Filters).
When the RF frequency was swept from 1 MHz to 100 MHz in 1 MHz steps and from 100 MHz to 1000 MHz in 10 MHz steps (see Figure 49), the peak-to-peak noise was highest at 1 MHz (5.8 fF). For higher frequencies, the peak-to-peak noise was 2.5 fF maximum.

Figure 49. EXC Peak-to-Peak Noise: Sweep from 1 MHz to 1000 MHz (External Filters).
Conclusion
When EMC testing the AD7746 using a target power level of 50 mW, the device does not lock up. The part continues to convert during the EMC event and it returns to the expected accuracy after the EMC disturbance is removed.
In this application note, external passive filters are recommended to improve the EMC performance of the AD7746. When external filters are included on the CIN and EXC pins and standard decoupling is used on the VDD pin, the EMC capability of the AD7746 is improved. Various filter combinations in the capacitive front-end of the AD7746 were evaluated. Each filter gave a different performance in terms of electromagnetic immunity, capacitance resolution, gain error, and offset error.
Front-end configurations with a low level of filtering have a low impact on the capacitance input performance. However, a low level of exposure to an electromagnetic field at the capacitance sensor electrodes causes degradation in capacitance performance. Therefore, these filters are suitable for nonharsh EMC environments. If the system is required to operate reliably in a harsh automotive or industrial environment, this means that careful PCB layout, such as short connections between the AD7746 and the capacitive sensor or shielding of the complete sensor is required. These configurations are expected to be used in high accuracy systems, such as capacitive pressure measurement or humidity measurement.
Front-end configurations with a high level of filtering have a higher impact on the capacitance input performance in the form of gain and offset error. These filters are suitable for applications where the absolute value is less important, but where the key system performance relies on a good compromise between EMC immunity and high capacitance resolution. It is expected that these configurations will be used in applications such as rain sensing or proximity sensing. Table 2 summarizes the effect of the external filter on the AD7746 performance and the EMC performance.
In summary, there is a tradeoff between EMC performance and the performance of the AD7746 (see Figure 50). The filter to use is determined by the environment in which the system will be used along with the performance required from the AD7746 in the system.

Figure 50. EMC/AD7746 Performance Tradeoff.
| Filter Type |
Error Due to External Filter |
EMC Performance with External Filter |
||||
| Offset Error (% of FS) | Gain Error (% of FS) | FS Error (% of FS)1 | Peak-to-Peak Noise (fF)1 | |||
| Light | 1.21 | −0.34 | 2.2 | 620 | ||
| Light-Medium | 6.84 | −3.9 | 0.8 | 430 | ||
| Medium | 20.14 | −15.19 | 0.35 | 140 | ||
| Medium-Heavy | 20.18 | −20.23 | 0.2 | 82 | ||
| Heavy | 32.05 | −58.32 | 0.05 | 30 | ||
| 1Values measured over a fine sweep from 1 MHz to 3 MHz or 5 MHz in 200 Hz steps. | ||||||