MAX9396

製造中止

ループバック付き、2:1マルチプレクサおよび1:2デマルチプレクサ

450mV差動出力付き、マルチプレクサ/デマルチプレクサ

利用上の注意

本データシートの英語以外の言語への翻訳はユーザの便宜のために提供されるものであり、リビジョンが古い場合があります。最新の内容については、必ず最新の英語版をご参照ください。

なお、日本語版のデータシートは基本的に「Rev.0」(リビジョン0)で作成されています。そのため、英語版が後に改訂され、複数製品のデータシートがひとつに統一された場合、同じ「Rev.0」の日本語版のデータシートが異なる製品のデータシートとして表示されることがあります。たとえば、「ADM3307E」の場合、日本語データシートをクリックすると「ADM3311E」が表示されます。これは、英語版のデータシートが複数の製品で共有できるように1本化され、「ADM3307E/ADM3310E/ADM3311E/ADM3312E/ADM3315E」(Rev.J)と改訂されたからで、決して誤ってリンクが張られているわけではありません。和文化されたデータシートを少しでも有効に活用していただくためにこのような方法をとっておりますので、ご了解ください。

アナログ・デバイセズ社は、提供する情報が正確で信頼できるものであることを期していますが、その情報の利用に関して、あるいはその利用によって生じる第三者の特許やその他の権利の侵害に関して一切の責任を負いません。また、アナログ・デバイセズ社の特許または特許の権利の使用を明示的または暗示的に許諾するものでもありません。仕様は予告なしに変更する場合があります。本紙記載の商標および登録商標は、各社の所有に属します。

Viewing:

製品情報

  • 450mV (min)の差動出力スイングで1.25Gbps動作を保証
  • 差動入力に100Ωの抵抗内蔵
  • 同時ループバック制御
  • ランダムジッタ:2ps(RMS) (max)
  • 150mV差動入力に対してAC仕様を保証
  • 信号入力は、VCM = +0.6V~(VCC - 0.05V)の差動信号に対応
  • クロックまたは高速データ用のLVDS出力
  • ローレベル入力フェイルセーフ検出
  • 電源電圧範囲:+3.0V~+3.6V
  • LVCMOS/LVTTLロジック入力

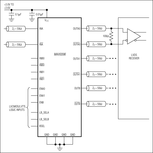
MAX9396は、ループバック付き2:1マルチプレクサおよび1:2デマルチプレクサで構成されています。マルチプレクサセクション(チャネルB)は2つの差動入力を受け入れ、シングル差動出力を生成します。デマルチプレクサセクション(チャネルA)はシングル差動入力を受け入れ、2つのパラレル差動出力を生成します。MAX9396は、チャネルAの入力をチャネルBの出力に接続し、選択したチャネルBの入力をチャネルAの出力に接続するループバックモードを備えています。

MAX9396の差動入力はCML/LVPECLレベルを受け入れ、+0.6V~(VCC - 0.05V)のコモンモード電圧のLVDS入力も受け入れることができます。差動出力はLVDSに対応し、100Ω負荷を駆動します。

3つのLVCMOS/LVTTLロジック入力は、入力と出力間の内部接続を制御します。1つはチャネルB (BSEL)のマルチプレクサ用、残りの2つはチャネルAおよびB (LB_SELAおよびLB_SELB)のループバック制御用です。差動出力ペアごとに独立したイネーブル入力によって、さらに柔軟になります。

未接続入力の場合やコモンモード電圧が+0.6Vを下回った場合は、フェイルセーフ回路によって出力は差動ロー状態になります。

擬似ランダムビットシーケンス(PRBS)のジッタが57psP-P (typ)の超低ジッタであるため、タイミングエラーに極めて敏感な高速リンクにおいて信頼性の高い通信が実現します。特に、クロック/データリカバリやシリアライザ/デシリアライザを使用するリンクが該当します。高速スイッチング性能は、1.25Gbpsの動作と87ps (max)以下のチャネル間スキューを保証します。

MAX9396は32ピンTQFPパッケージで提供され、-40℃~+85℃の拡張温度範囲での動作が保証されています。

アプリケーション

  • 電話局バックプレーンクロック分配
  • DSLAM
  • フォルトトレラントシステム
  • 高速テレコム/データ通信機器
  • 保護スイッチング

MAX9396
ループバック付き、2:1マルチプレクサおよび1:2デマルチプレクサ
MAX9396:標準動作回路
myAnalogに追加

myAnalogの製品セクション(通知受け取り)、既存/新規プロジェクトに製品を追加する。

新規プロジェクトを作成
質問する
サポート

アナログ・デバイセズのサポート・ページはアナログ・デバイセズへのあらゆるご質問にお答えするワンストップ・ポータルです。


ドキュメント

さらに詳しく
myAnalogに追加

myAnalogのリソース・セクション、既存/新規プロジェクトにメディアを追加する。

新規プロジェクトを作成

ソフトウェア・リソース

必要なソフトウェア/ドライバが見つかりませんか?

ドライバ/ソフトウェアをリクエスト

ハードウェア・エコシステム

製品モデル 製品ライフサイクル 詳細
アナログスイッチ&マルチプレクサ 2
MAX9395 製造中止 ループバック付き、2:1マルチプレクサおよび1:2デマルチプレクサ
MAX9394 最終販売 ループバック付き、2:1マルチプレクサおよび1:2デマルチプレクサ
Modal heading
myAnalogに追加

myAnalogの製品セクション(通知受け取り)、既存/新規プロジェクトに製品を追加する。

新規プロジェクトを作成

最新のディスカッション

MAX9396に関するディスカッションはまだありません。意見を投稿しますか?

EngineerZone®でディスカッションを始める

最近表示した製品